This thread has been locked.

If you have a related question, please click the "Ask a related question" button in the top right corner. The newly created question will be automatically linked to this question.

TPA3113D2的Power Limit功能不能正常工作

Other Parts Discussed in Thread: TPA3113D2

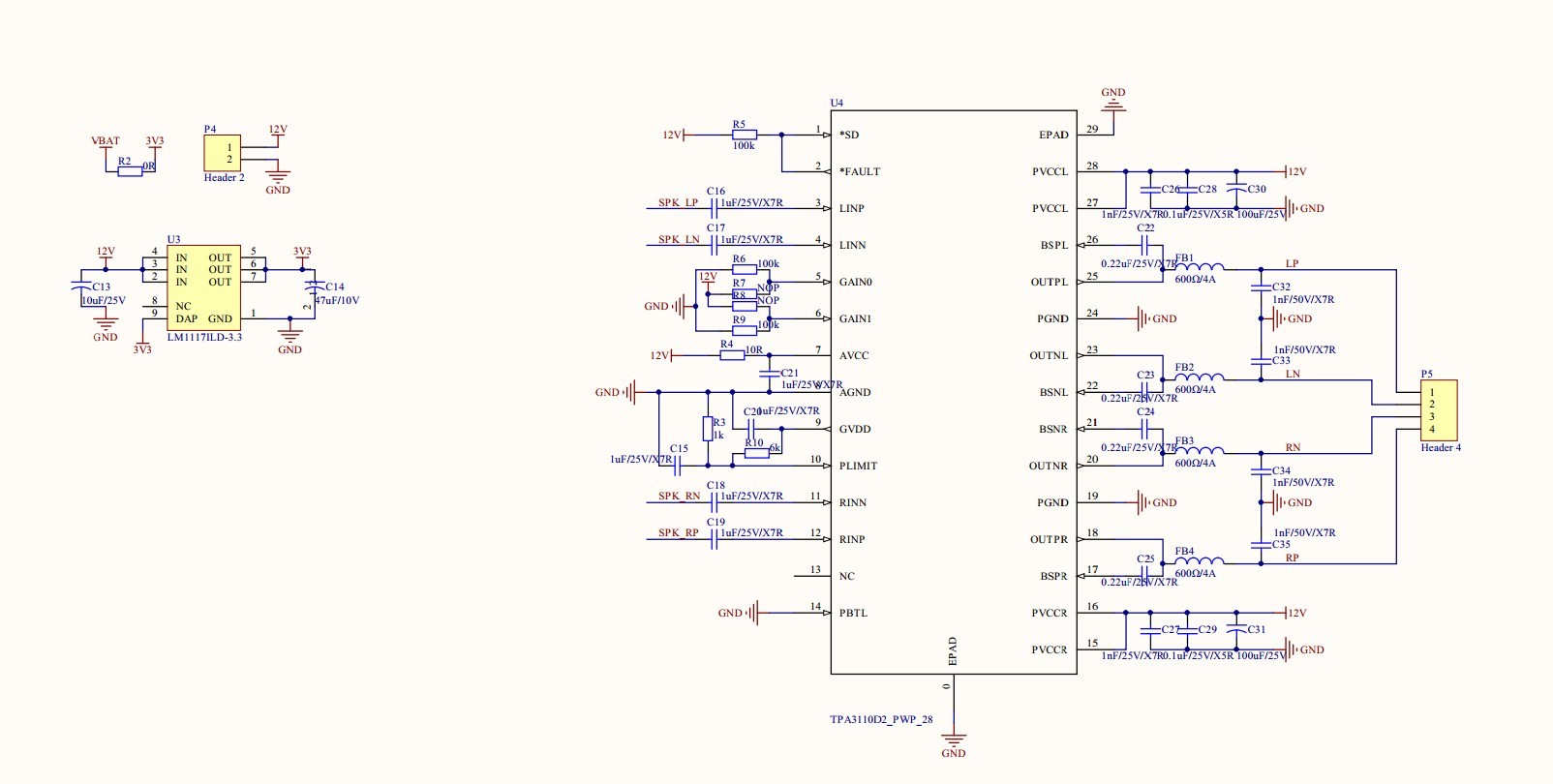
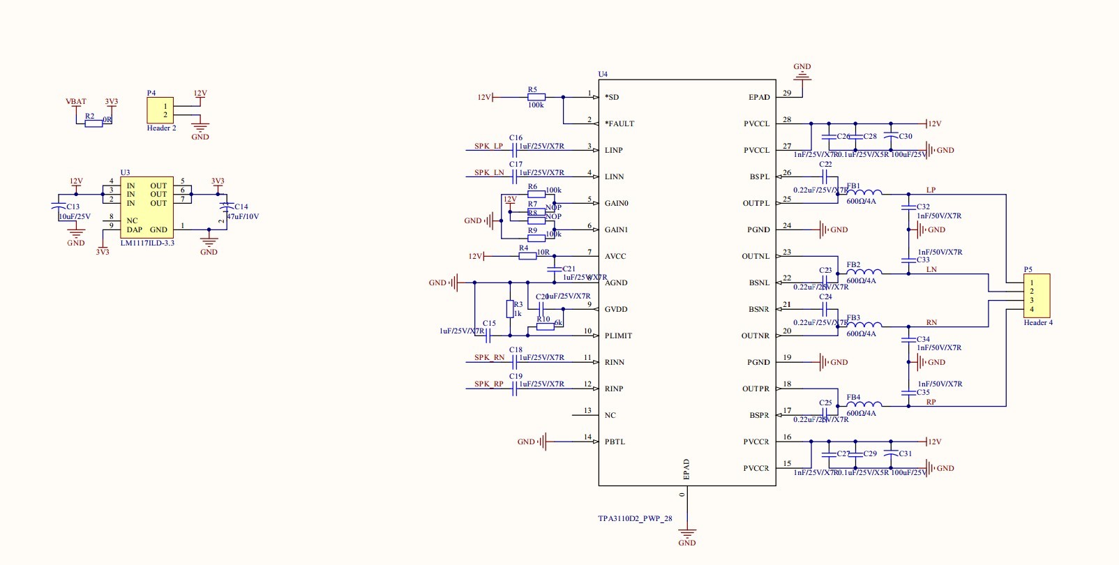
使用TPA3113D2做音频功放,输入连接的是CSR8670的差分输出,电路基本和DATASHEET上的相同,我的电路图可以参见附件。喇叭是两个3W,4欧的。

焊接好调试的时候,调整R3和R10的比例来调整PLimt引脚的电压,从0.3V一直调到5.9V,喇叭输出的最大音量一直没有改变。

只有改变GAIN0和GAIN1从00变成11,音量才显著增加。

请问Power Limit 功能应该如何使用,我的电路是否存在问题。

  • 亲;Power limit是限制最大功率量,不是音量调节量。因此;不能做正常工作时的音量调节。

  • 额,那这个最大功率是什么意思啊,功率输出和音量之间有什么关系呢?

  • 按我的理解,是不是输出给喇叭的功率越大,发出的声音越大呢

  • 亲;这如同道路限速,如最高限速120km/H,超过该值;警察会执法;将你限在合法范围。至于最低和最高限速范围间;由自然情况决定;交法不会限制。

    亲;由于你设定的是最大功率,只要输出小于设定值;输出就不受你的设定限制。在限幅以前;音量与与你的给定值无关。

  • 你好:

    Plimit是通过给功放提供一个虚拟电压,用来限制输出功率。这个功能的用意是,如果有的用户用的喇叭比较小,就可以用这个功能,限制输出功率,免得功率太大,把喇叭烧掉了。

    The PLIMIT circuit sets a limit on the output peak-to-peak voltage. The limiting is done by limiting the duty cycle to fixed maximum value. This limit can be thought of as a "virtual" voltage rail which is lower than the supply connected to PVCC. This "virtual" rail is 4 times the voltage at the PLIMIT pin. This output voltage can be used to
    calculate the maximum output power for a given maximum input voltage and speaker impedance.

    不过你可以通过限制前级的输入信号来限制。

    调节音量是通过Gain来调节。

     

  • 如果3W的喇叭,Plimit限多少功率为佳?会否因为输入信号大后,造成上下管交替常开,仍然烧喇叭?

  • 你好:

    3W的喇叭就限制到输出3W,或者2.5W。具体的你看datasheet上说的,计算一下就知道Plimit的电压了。

    Plimit的是提供一个虚拟电压,基于这样的原理,超过了3W就是通过削波限制,所以也有一定的局限。

    所以你可以通过限制前级的输入电压,算一下后级输出3W,输出的最大电压是多少,然后通过增益反算输入电压。