This thread has been locked.

If you have a related question, please click the "Ask a related question" button in the top right corner. The newly created question will be automatically linked to this question.

使用TPA3112的开发板的问题

Other Parts Discussed in Thread: TPA3112D1EVM

最近想使用音频功放TPA3112驱动40KHz的超声波换能器,需要功率10W,有以下疑问

1、TI的TPA3112D1EVM Gerber Files是否直接能够使用,开出来和官方的一样

2、数据经过DA之后单端双极性输入到功放板上了,

DA如何连线到1、2、3引脚,如何配置

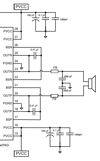
3、输出端引脚23、25都是OUTN,引脚18、20都是OUTP,请问重复的引脚作用一样吗?一个接地,一个输出信号的原因?

4、功放板连接换能器,是把OUT接口接到换能器上还是把OUT+&OUT-连接到换能器上,这个两个输出端子有什么区别,在OUT与OUT+&OUT-信号是什么样的