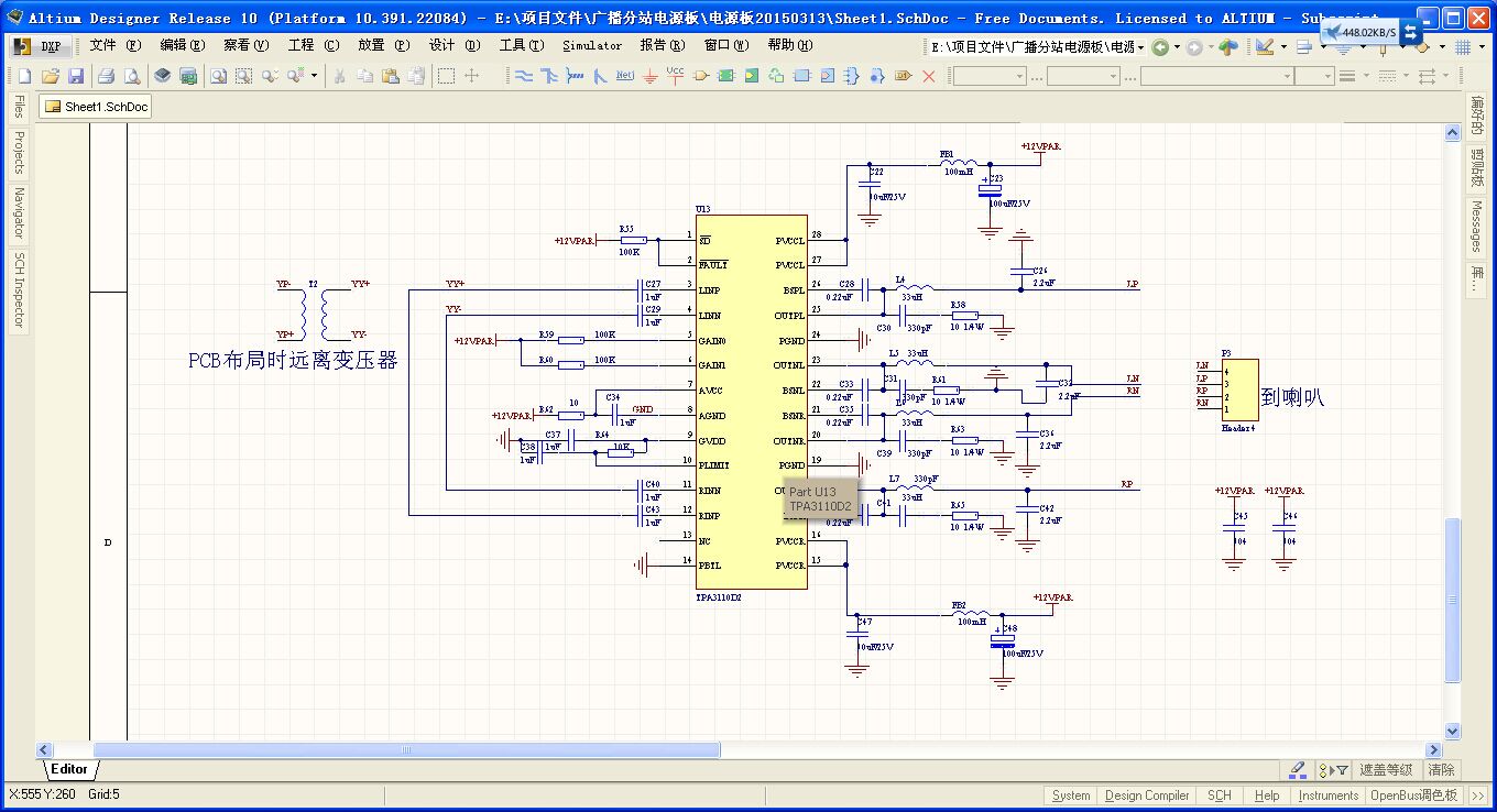
tpa3110d2功放正常放歌的时候,唱到某个高音的时候就保护,立马又恢复正常,循环不断就这种情况,这是什么问题呢?请教TI大师
This thread has been locked.
If you have a related question, please click the "Ask a related question" button in the top right corner. The newly created question will be automatically linked to this question.