This thread has been locked.

If you have a related question, please click the "Ask a related question" button in the top right corner. The newly created question will be automatically linked to this question.

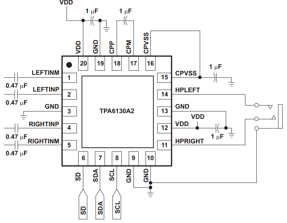
TPA6130A2的负电源问题

Other Parts Discussed in Thread: TPA6130A2

TPA6130A2的寄存器配置正常,也可以正常播放歌曲,但是负压只有-2.7左右,这是哪里有问题???