This thread has been locked.

If you have a related question, please click the "Ask a related question" button in the top right corner. The newly created question will be automatically linked to this question.

如何减少数字音量带来的影响?(PCM1794A与PCM1792A音量调节问题)

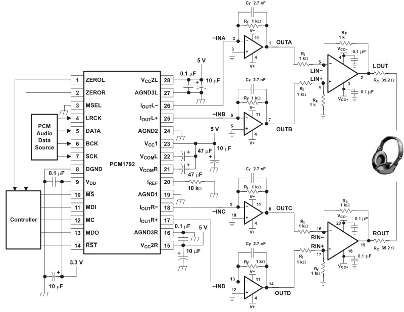
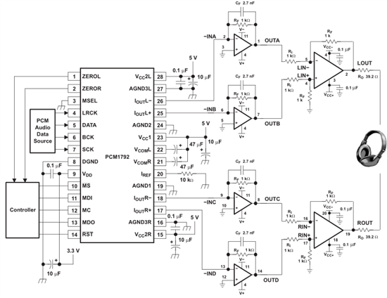
Other Parts Discussed in Thread: PCM1792A, PCM1794A

最近想用PCM1794A或PCM1792A做USB音频输出,但在音量调节问题上犯难了。

目前据我了解,数字音量控制是会带来分辨率下降问题的,从而导致信噪比和动态范围下降。
这里有一篇文章解释得很详细:thewelltemperedcomputer.com/.../VolumeControl.htm


①PCM1794A本身不带音量调节功能,只能通过电脑数字音量调节或后面加电位器。请问加电位器怎么加最好?四联还是二联?
②PCM1792A本身带有音量调节功能,能通过电脑数字音量调节及自身数字衰减器调节。请问PCM1792A这两种调节方法带来的结果有什么不一样吗?

最后,上面那种方案最佳?