Other Parts Discussed in Thread: USB2ANY,
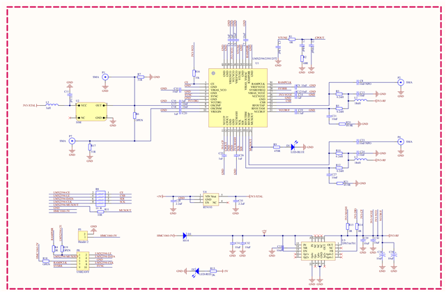
我现在有一块LMX2595模块,USB2ANY和TIcspro,如果想通过USB2ANY配置手动斜坡并激活,那么我的rampdir和rampclk是从pc给出吗,从PC给出的话我要在哪里去设置这些参数?如果不是pc给出的话,我用USB2ANY配置好寄存器之后从FPGA发送rampdir和ramclk这样可以生成自定义斜坡吗?(图片是我所用模块的原理图)
This thread has been locked.
If you have a related question, please click the "Ask a related question" button in the top right corner. The newly created question will be automatically linked to this question.
RampClk和RampDir信号来自USB2ANY。EVM原理图可在EVM用户指南中找到。
在GUI中,

1.正确设置触发信号
2.单击“方向”按钮,选择向上或向下倾斜。步进频率的量是指VCO频率。
3.点击时钟斜坡按钮一次,USB2ANY将更改RampClk L-H-L。
最大单端OSCin信号为2Vpp,如果是CMOS输出,则需要减少振荡器的信号输出。