Hi TI,
Please help to double check CDCE72010 setup issue.
Issue:
Using CDCE72010 as Clock Synchronizer, but failed on the PLL lock stage by watching PLL_lock pin status.
Setup:
1) using primary clk, lvds mode, 100MHZ
2) using VCO, LVPECL mode,1000MHz
3) try different M/N/feedback/refclk divider, keep ratio is 10:1, and try different Icp, try output frequency:100MHZ/200MHZ/1GHz, no pll lock
Setting:
REG0=82300270
REG1=01860021
REG2=68400002
REG3=83400003
REG4=68800004
REG5=68800005
REG6=68080006
REG7=68080007
REG8=690e0098
REG9=eb000c09
REG10=004c063A
REG11=0000268B
REG12=0000180C
Phenomenon:
1) configure Lock-Detect Window (Register 7 Bits [1:0] and Register 9 Bits [7:6]) to reserved status, PLL_lock pin is high, but pll output clk and reference clk phase don't have fixed phase offset.
2) configure Lock-Detect Window (Register 7 Bits [1:0] and Register 9 Bits [7:6]) to other phase offset value, PLL_lock pin is low.
3) although PLL lock is failed, but output clk frequency is correct and has good performance, but has unstable phase, as shown in fig 2.
4) read 0x0c register value is 0x60009b0c
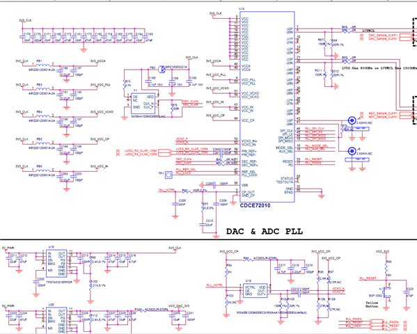
Schematic is shown in fig.1

Fig1

Fig2