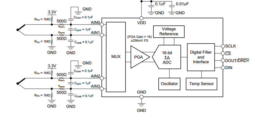
Other Parts Discussed in Thread: MSP430G2553, ADS1120
应用MSP430G2553与ADS1120检测K型热电偶温度,连接如图示
设定方式:AINp=AIN0,AINn=AIN1,连续模式,PGA=64,内部参考电压,
现象:不加热热电偶第一次读数0x8050,第二次以后0xC050
加热热电偶,读数从0xC0XX开始增加
问题:输入为正,怎么读数为负?
This thread has been locked.
If you have a related question, please click the "Ask a related question" button in the top right corner. The newly created question will be automatically linked to this question.
Other Parts Discussed in Thread: MSP430G2553, ADS1120
应用MSP430G2553与ADS1120检测K型热电偶温度,连接如图示
设定方式:AINp=AIN0,AINn=AIN1,连续模式,PGA=64,内部参考电压,
现象:不加热热电偶第一次读数0x8050,第二次以后0xC050
加热热电偶,读数从0xC0XX开始增加
问题:输入为正,怎么读数为负?