This thread has been locked.

If you have a related question, please click the "Ask a related question" button in the top right corner. The newly created question will be automatically linked to this question.

DAC7614 vss电压工作异常

Other Parts Discussed in Thread: DAC7614, LM2776

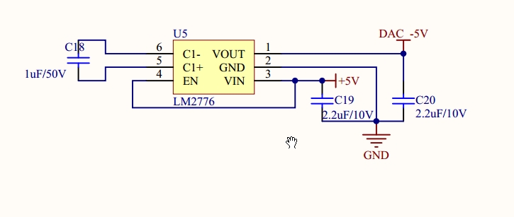
    最近在使用DAC7614时发现如下现象:
     供给IC的-5V VSS电压会变成 -1.8V
请问这个现象正常么?如果不正常一般是由哪些原因引起的呢?-5V由LM2776提供.