This thread has been locked.

If you have a related question, please click the "Ask a related question" button in the top right corner. The newly created question will be automatically linked to this question.

ADS1278其中一个通道损坏

Other Parts Discussed in Thread: PGA281, ADS1278

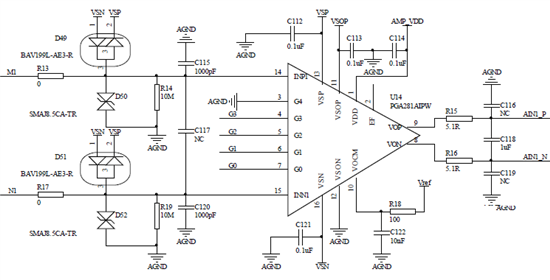
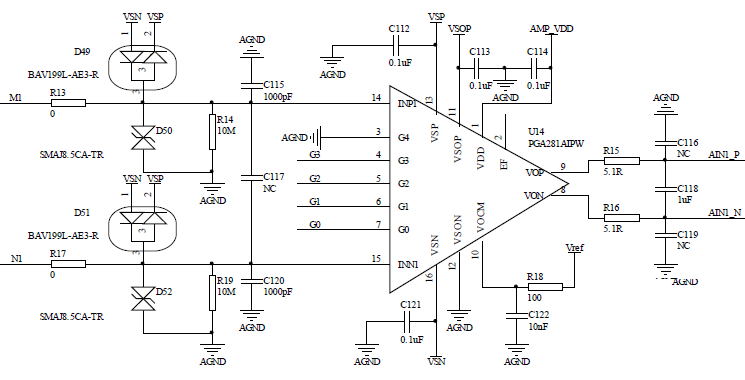
数据采集产品中用到ADS1278芯片,在做样板的阶段(前后约20片),不时发现有芯片通道异常的现象,已经有好几片了;一般都是其中的第1或第8通道 一直采集到全幅的信号,+3V或-3V(VREF使用3V稳压芯片),在前级差分运放输入悬空的条件下(运放输入都并联10MΩ到地)。运放使用的PGA281,原理图如下,AIN1_P 和AIN1_N就直接连到ADS1278了。