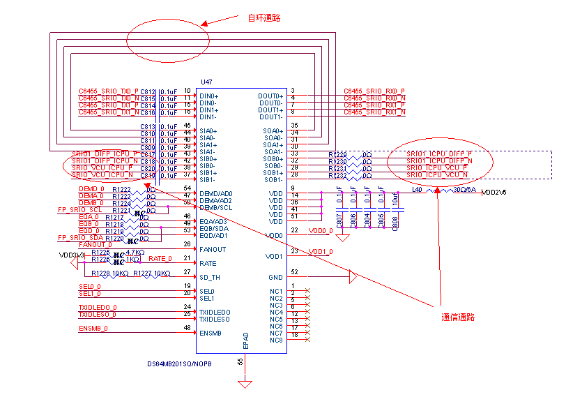
用DS64MB201做SRIO开关,1:2 输出Switch和2:1输入Switch切换,其中1组作为板外正常通信通路,1组做板内自环自检同路,那么请问:1、在做自检的时候,另外一个通路(正常通信)与板外依然保持LINK么?2、由自检同路切换到正常通信同路是否只要ID号一致就可以正常通信?谢谢各位大神解答!
This thread has been locked.
If you have a related question, please click the "Ask a related question" button in the top right corner. The newly created question will be automatically linked to this question.
用DS64MB201做SRIO开关,1:2 输出Switch和2:1输入Switch切换,其中1组作为板外正常通信通路,1组做板内自环自检同路,那么请问:1、在做自检的时候,另外一个通路(正常通信)与板外依然保持LINK么?2、由自检同路切换到正常通信同路是否只要ID号一致就可以正常通信?谢谢各位大神解答!
一般来说自检的情况下,另一个通路不需要与板外保持link。
为什么要做自检?有应用图吗?
做自检属于设计需求。
我们主要是考虑切换回正常通信通路时候的SRIO恢复问题,如果芯片的通路在空闲状态仍然会保持LINK状态,那么从自检环路切回来后就不需要做SRIO再建链恢复处理,如果芯片通路在空闲状态不能保持LINK状态,则需要做再建链恢复处理。
只有在1:2的方向上enable fanout功能,可以保证主备都能接收到数据,就是我们讲的热备份;
但在2:1方向上,同一时间就只能link其中一路。