This thread has been locked.

If you have a related question, please click the "Ask a related question" button in the top right corner. The newly created question will be automatically linked to this question.

ads1274上电顺序

Other Parts Discussed in Thread: ADS1274

ads1274的上电顺序,

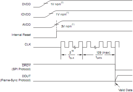
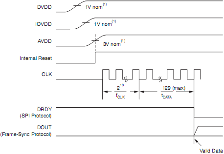
1、ADS1274的端口只供电,其他接口不接。我用tps70451,通过使能端,先给ads1274的DVDD供1.8v,然后IOVDD供3.3v,最后用tps7a3700,通过使能端,给ads1274的AVDD供5v电压。测量ads1274的VCOM端无电压输出;为啥?

2、ADS1274的端口只供电,其他接口不接。我用tps70451,通过使能端,先给ads1274的DVDD供1.8v,但是IOVDD不提供3.3v,然后用tps7a3700,通过使能端,给ads1274的AVDD供5v电压。然后测量ads1274的VCOM端有电压输出1/2;