Other Parts Discussed in Thread: ADS1292R
调试ADS1292R时遇到一些问题
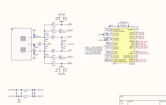
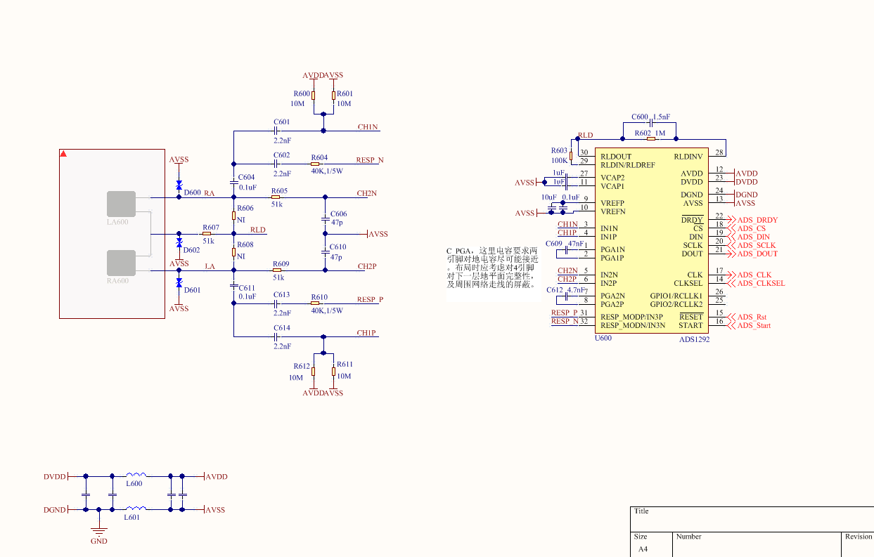
原理图及元器件参数是按照TI ADS1292R 参考电路搭建,如下。
分别引出三个电极LA,RA,RLD通过导联线、纽扣电极贴在人体做测试。
起初所有数据均正常,运行结果也如设计要求一样。
在运行一段时间后,发生故障。问题如下:
1、 电极浮空时CH2通道输出数据为2^23。ADC溢出。
2、 当通过纽扣电极接在人体时,输出噪声,并非ECG信号。
3、 电极浮空、寄存器调整为0x01时内部短路测试,输出不为恒定值,输出噪声信号。
4、 电极浮空、寄存器调整为0x03时内部电压测试,供电电压为2.85V左右,此时VDD/4 应该接近0.71V,内部ADC参考电压2.42V,输出adc 数值应该接近2^21,但是实际输出结果为2^23。
5、 尝试通过配置寄存器断掉CH1,RESP检测电源,输出结果已经如4所述。
我想知道这种情况是什么原因导致的,时静电击穿内部电路吗?但这颗模拟前端的datasheet所述esd应该是可以承受一般静电的情况。
还有就是如果不知道原因,就无法避免,以后是否还会出现类似情况,可能会使产品一直存在故障隐患。
另:这颗模拟前端,对前级阻容参数有特别要求吗?我们所用阻容都为一般常规器件,是否与这个有关?


