您好:
我想设计一个AD采集系统:同步采集8路模拟信号,每路要求采样率1MSPS以上 12位
我选择了THS1206 两个芯片并行采集
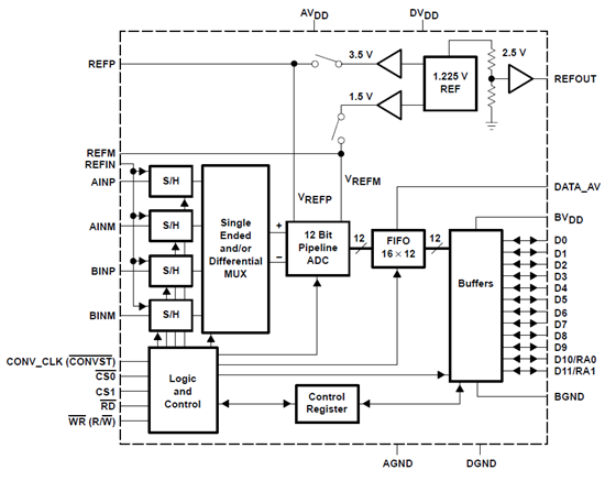
因为每路信号是1.65V REF 所以我准备用外部参考电压 1.65V
疑问:1 不需要REFIN 和 REFOUT 的提升电压 两个引脚如何设计比较好 REFIN接地? REFOUT 悬浮?
2 REFP 和REFM 都接我的1.65V参考电压还是?一个接 另一个呢?
3 这个芯片能否满足我的设计需求?有没有其他推荐?
感谢!
This thread has been locked.
If you have a related question, please click the "Ask a related question" button in the top right corner. The newly created question will be automatically linked to this question.
您好:
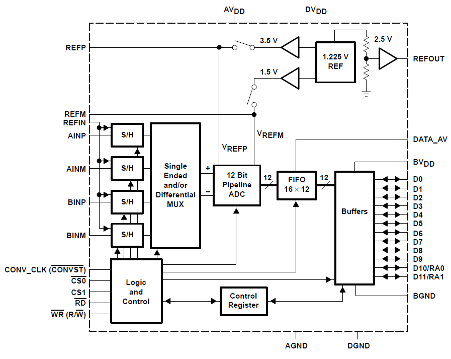
我想设计一个AD采集系统:同步采集8路模拟信号,每路要求采样率1MSPS以上 12位
我选择了THS1206 两个芯片并行采集
因为每路信号是1.65V REF 所以我准备用外部参考电压 1.65V
疑问:1 不需要REFIN 和 REFOUT 的提升电压 两个引脚如何设计比较好 REFIN接地? REFOUT 悬浮?
2 REFP 和REFM 都接我的1.65V参考电压还是?一个接 另一个呢?
3 这个芯片能否满足我的设计需求?有没有其他推荐?
感谢!
看一下下面的两个链接。里面有原理图
http://www.ti.com/lit/ug/slau042b/slau042b.pdf
http://www.ti.com/lit/ug/slvu098/slvu098.pdf