Other Parts Discussed in Thread: ADS1282, DAC1282
1、我想用ADS1282做多通道同步采集系统,同步精度应高于0.1ms,请问采用脉冲同步或者连续同步中的哪种方式更好?
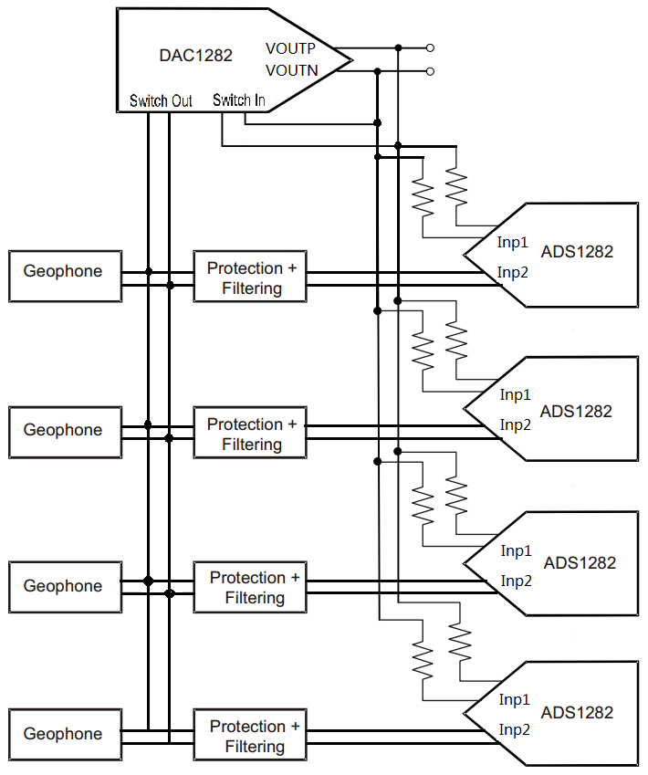
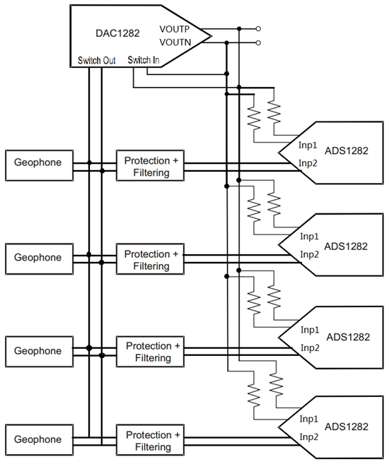
2、利用DAC1282对采集系统做校准和测试时,能否按照以下结构连接各个芯片?
3、数据手册第41页的图65是典型应用电路,R1、R2、R3、R4、C2、C3、C4构成无源低通滤波器,请问我们是否还应在ADC之前用运放搭建有源低通滤波器?有源滤波器的接入是否会影响ADC和整个系统的精度?(我的系统是采集地震波检波器输出的电压信号)
