Other Parts Discussed in Thread: ADS1282, DAC1282
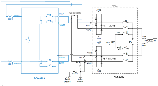
dac1282的datasheet表明可以与ads1282的结合测试检波器的漏电,请问有没有官方的测试漏电的电路?如果没有的话,怎么利用ads1282的MUX和dac1282的内部开关检测?现在所想到办法要利用到AD/DA之外的开关才好测试,但感觉比较麻烦。附带了一张简单的AD/DA连接图,如果测漏电的话应该怎么选择开关?
This thread has been locked.
If you have a related question, please click the "Ask a related question" button in the top right corner. The newly created question will be automatically linked to this question.