This thread has been locked.

If you have a related question, please click the "Ask a related question" button in the top right corner. The newly created question will be automatically linked to this question.

ADS1274没有输出

Other Parts Discussed in Thread: AM3358, ADS1274

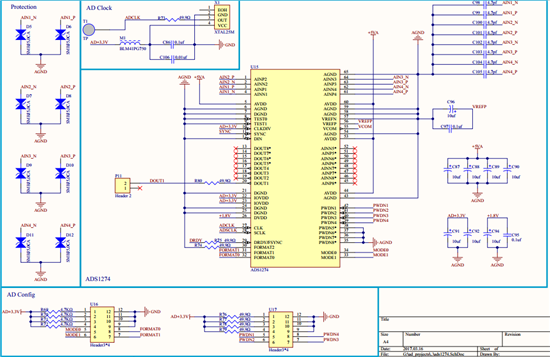
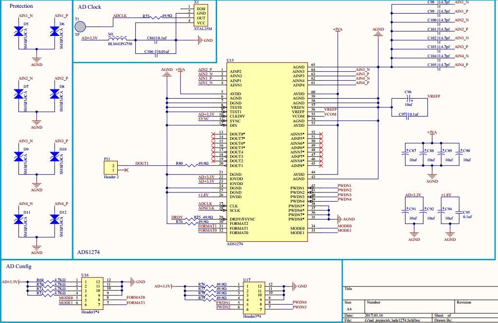
  ADS1274外接8M晶振,SCLK(512k)由AM3358提供。

  调试ADS1274时,在示波器上能看到DRDY信号和SCLK信号,但是DOUT1没有输出(一直是低电平)。如下图,黄色是DRDY信号,蓝色是SCLK(SCLK波形不好是因为抓到了所有的时钟信号,放大展开之后就是下图的样子,实际上SCLK波形是好的)。

  下图是ADS1274的电路原理图。

现在MODE、FORMAT和PWDN都是通过跳线帽直接接高、低电平控制(MODE 01,FORMAT 010,PWDN[4:1] 1000)。

  请问:

  1. DRDY和SCLK的信号正常吗?

  2. 当通过跳线给PWDN4高电平时,R79(一端是3.3V,一端是PWDN4)的3.3V端电压正常,PWDN4端只有不到2V,有可能是什么的问题?

  3. DOUT1没有输出的问题可能出现在哪里?

  多谢赐教!