Hi,TI:
这是一个关于MSP430F679芯片内部的24位ad的驱动问题,我不知道这个问题到底是放在模拟区还是放在微处理器区,如有不适合请移到相关论坛分区,谢谢!
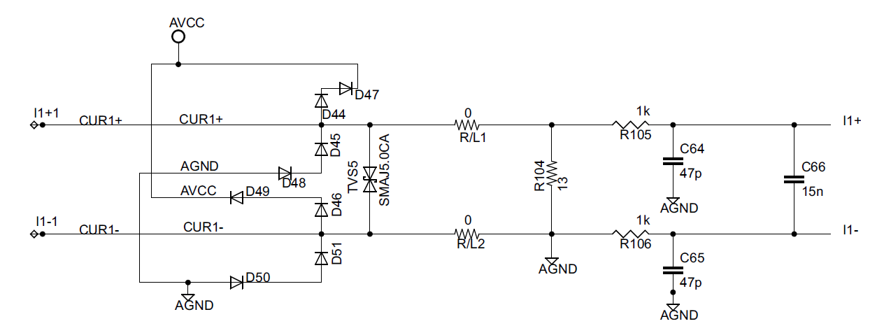
最近做数据采集,参考EVM430-F6779-3 EVM 的文档slaa577g,该文档6到7页描述了模拟输入部分,由于SDADC是差分输入,所以该模拟电路采用差分输入形式,但是我感到奇怪的是,一般差分输入ADC都需要外部的查分驱动器来驱动,比如THS4521.但是这里直接电阻网络来驱动:
SDADC内部的输入阻抗依据采样时钟的频率,Gain的大小不同而不同,但是200K是可以达到的,假设是200K,而ADC的上一级模拟电路的输出阻抗大概为
R105+R106 = 2K,2Kvs 200K,这里因为模拟电路输出阻抗不足够小和adc输入阻抗不足够大导致的误差已经接近1%,整个计量系统的精度怎么达到千一啊?
所以我想提的问题是:
MSP430内部的SDADC的驱动一定需要差分驱动放大器吗?可能现在采样的信号60HZ,如果频率上高到一定程度就必须需要了吧?
所以这个能有一个定量的分析么?(目前定性分析是信号频率小貌似就不用驱动器,频率高幅值变化大就需要)
