Other Parts Discussed in Thread: DRV421
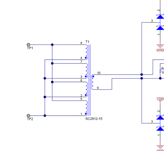
www.ti.com.cn/.../tidua92a.pdf这个链接是DRV421设计例子,
例子中用到了下图中的黑色模块,
请问那是个啥?有没有替代品?
This thread has been locked.
If you have a related question, please click the "Ask a related question" button in the top right corner. The newly created question will be automatically linked to this question.
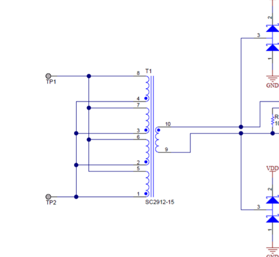
Other Parts Discussed in Thread: DRV421
www.ti.com.cn/.../tidua92a.pdf这个链接是DRV421设计例子,
例子中用到了下图中的黑色模块,
请问那是个啥?有没有替代品?