This thread has been locked.

If you have a related question, please click the "Ask a related question" button in the top right corner. The newly created question will be automatically linked to this question.

关于ADS1292R测呼吸和ECG



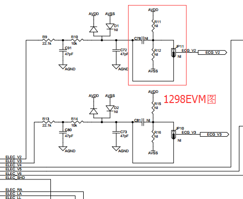
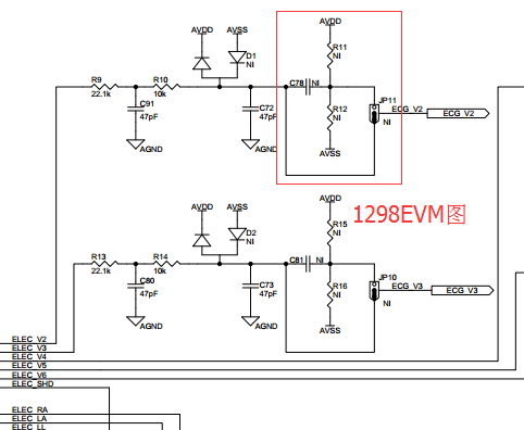
参见1292EVM page51,其中有段文字说如果要使用2路ECG的话,某些电阻电容要不接或改变值,

(1)请问这里面描述是否少了,是否需要C89 和C90 接47pF的电容???

(2)同时按照通道2的接法策略ECG,其中R73  C56组成的低通滤波器是否需要根据实际来调整阻值,以得到合适的截止频率

(3)目前1292R EVM板提供的电路图,是否没有考虑ESD保护  和导联脱落的设计?

(4)关于导联脱落问题,查看了“Understanding Lead-Off Detection in ECG”,有写不太理解,采用“DC Lead-Off Detection”的方式,是否指需要接上拉  或下拉电阻就可以,如只接R11 ,还是在输入导联线上 R11 r12都接10M电阻?