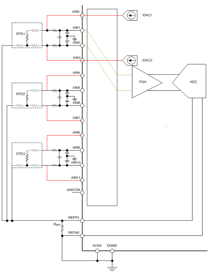
ads124s08通道切换只能手动切吗?多通道可不可以实现三个MUXP,MUXN,I2MUX,I1MUX 四个一组,循环切换三组通道处理?还有这个转换时间怎么评估?
This thread has been locked.
If you have a related question, please click the "Ask a related question" button in the top right corner. The newly created question will be automatically linked to this question.
ads124s08通道切换只能手动切吗?多通道可不可以实现三个MUXP,MUXN,I2MUX,I1MUX 四个一组,循环切换三组通道处理?还有这个转换时间怎么评估?
不能,只能AIN0~AIN5中任选一个通道分别作为MUXP和MUXN。需要配置寄存器02h来选择通道。