This thread has been locked.

If you have a related question, please click the "Ask a related question" button in the top right corner. The newly created question will be automatically linked to this question.

求专家指点如何驱动ads1211芯片

Other Parts Discussed in Thread: ADS1211

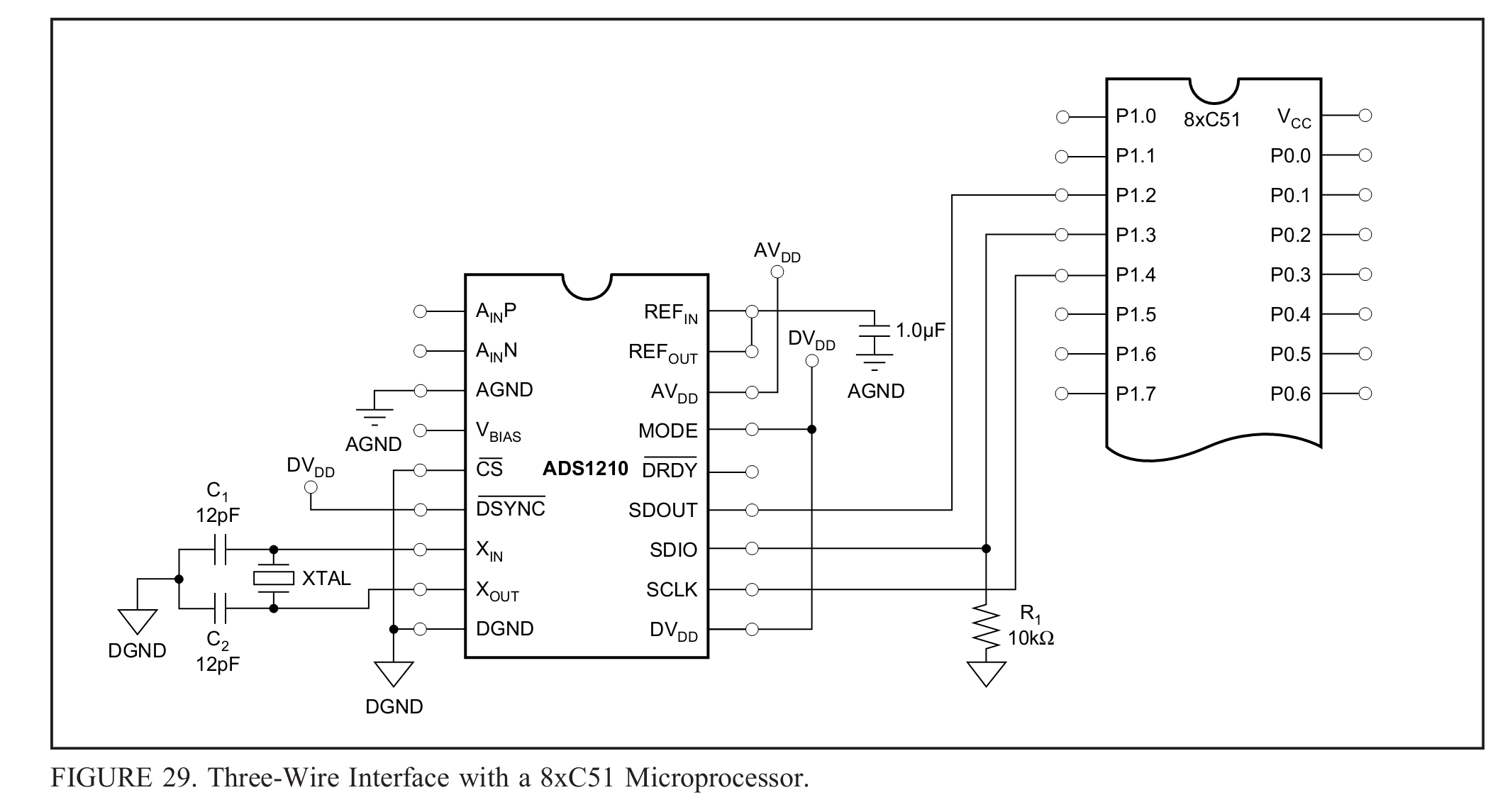
您好我学习ads1211已有近两个月的时间了,但由于鄙人才疏学浅一直没能驱动起来,希望哪位专家帮帮忙!我用的是mega16单片机C语言带动,单片机,ad都用的是7.3728Mhz时钟硬件电路类似英文手册上31页图29(三线制但DADY连接P0^7),如果可以能否进一步指点,我的邮箱:daye8646@yahoo.com.cn 我愿把我的程序给您,希望能尽快调出结果。不胜感激!