各位大神,请帮忙分析下ADS1258配置寄存器不成功问题
上电程序如下
// initialize the device
SYSTEM_Initialize();
INTERRUPT_GlobalInterruptEnable();
INTERRUPT_PeripheralInterruptEnable();
SPI_CS = 1;
ADS_1258_START = 0;
ADS_1258_RESET = 0;
ADS_1258_PWDN = 0;
delay_ms(50);
ADS_1258_RESET = 1;
delay_ms(5);
SPI_CS = 0;
SPI_read = SPI_Exchange8bit(0x70);
SPI_read = SPI_Exchange8bit(0x2A);
SPI_read = SPI_Exchange8bit(0x03);
SPI_read = SPI_Exchange8bit(0x00);
SPI_read = SPI_Exchange8bit(0x00);
SPI_read = SPI_Exchange8bit(0x3F);
SPI_read = SPI_Exchange8bit(0x00);
SPI_read = SPI_Exchange8bit(0x00);
SPI_read = SPI_Exchange8bit(0xFF);
SPI_read = SPI_Exchange8bit(0x00);
SPI_CS = 1;
delay_ms(100);
SPI_CS = 0;
SPI_read = SPI_Exchange8bit(0x50);
SPI_read = SPI_Exchange8bit(0xFF);
SPI_read = SPI_Exchange8bit(0xFF);
SPI_read = SPI_Exchange8bit(0xFF);
SPI_read = SPI_Exchange8bit(0xFF);
SPI_read = SPI_Exchange8bit(0xFF);
SPI_read = SPI_Exchange8bit(0xFF);
SPI_read = SPI_Exchange8bit(0xFF);
SPI_read = SPI_Exchange8bit(0xFF);
SPI_read = SPI_Exchange8bit(0xFF);
SPI_read = SPI_Exchange8bit(0xFF);
SPI_CS = 1;
delay_ms(100);
ADS_1258_PWDN = 1;
ADS_1258_START = 1;
while (1)
{
// Add your application code
while(ADS_1258_DRDY);
SPI_CS = 0;
ADS1258_data[0] = SPI_Exchange8bit(0xFF);
ADS1258_data[1] = SPI_Exchange8bit(0xFF);
ADS1258_data[2] = SPI_Exchange8bit(0xFF);
ADS1258_data[3] = SPI_Exchange8bit(0xFF);
SPI_CS = 1;
}
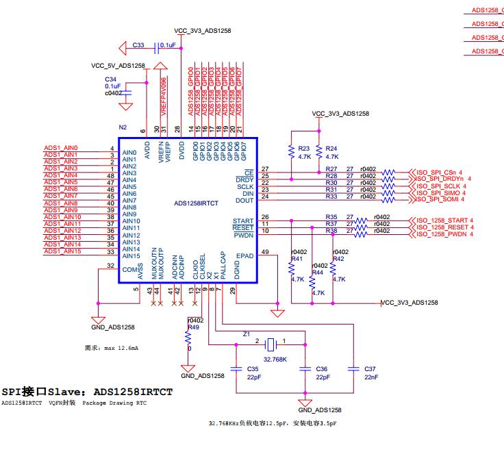
ADS1258原理图



