您好,我在用SPI写寄存器的时候,用SDOUT总是读不出数据(寄存器已经设置了readout enable和读地址了)。而且当读入SPI信号的时候,AVDD18会从1.8V跳到2.2V左右,这是怎么回事?
This thread has been locked.
If you have a related question, please click the "Ask a related question" button in the top right corner. The newly created question will be automatically linked to this question.
您好,我在用SPI写寄存器的时候,用SDOUT总是读不出数据(寄存器已经设置了readout enable和读地址了)。而且当读入SPI信号的时候,AVDD18会从1.8V跳到2.2V左右,这是怎么回事?
您好,原理图已经发送到您邮箱了,请帮忙我检查一下,谢谢了!还有你们有没有可以软件仿真的文件,可以让我写进去SPI信号,然后测试AD工作呢,或者是PSPICE模型什么的。。。
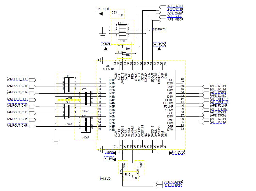
电路就是下面的图,您看是不是有错误呢?电压都是从稳压芯片输出的,用示波器都测量过,没有问题。当FPGA输入SPI信号的时候,DVDD18就由1.8V跳到2.2V了。现在更糟,断了电之后用万用表测量AVDD18和地之间居然短路了!所以现在只要一上电,1.8V的稳压芯片就烫的不行。这个现象是不是说明AFE5801已经坏掉了?因为之前的一片AFE5801就是这样,我把它拿下来测到芯片上的AVDD18脚和AVSS脚已经短路了。到底是什么原因?是不是之前吹的太多,芯片被吹得烧坏了啊?
你好,我们并没有单独的FPGA的AFE5801 code,只有一整套的一个评估板及其软件。请参考www.ti.com/.../afe5801evm
大家好,请问一下AFE5801的sen信号在两次写数据之间的拉高保持最少是多长时间?谢谢大家!