This thread has been locked.

If you have a related question, please click the "Ask a related question" button in the top right corner. The newly created question will be automatically linked to this question.

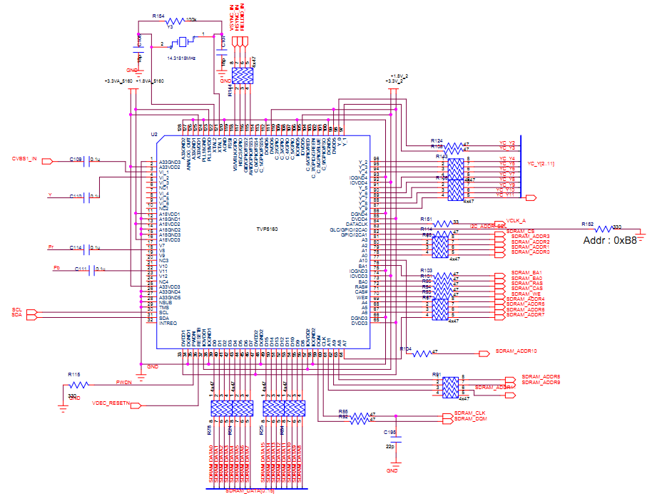
TVP5160 I2C无应答问题

Other Parts Discussed in Thread: TVP5160

TVP5160的I2C通讯就是没有应答信号,从机地址是对的,排除了I2C时序问题,请帮忙看看TVP5160还有没有其他要注意的地方,谢谢