你好,请问一下ADS1148能否用于8通道单端采样,我的供电是数字电源5V,模拟供电5V,数字和模拟部分共地,基准用ADS1148内部的基准,请问有没有推荐的单端采样电路,谢谢。
This thread has been locked.
If you have a related question, please click the "Ask a related question" button in the top right corner. The newly created question will be automatically linked to this question.
你好,请问一下ADS1148能否用于8通道单端采样,我的供电是数字电源5V,模拟供电5V,数字和模拟部分共地,基准用ADS1148内部的基准,请问有没有推荐的单端采样电路,谢谢。
SBAU142B–April 2009–Revised May 2011
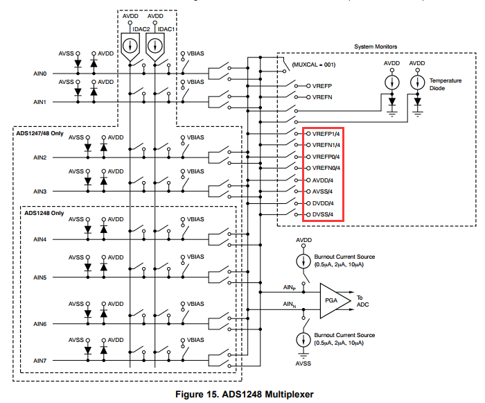
看看这个文档。里面有SCH