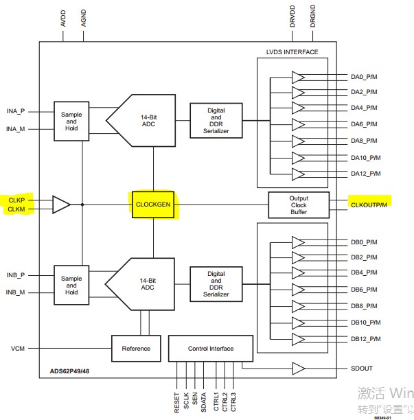
我现在在调试ADS62p49,看芯片手册,下图中的CLOKGEN没有看到相关描述。想知道他的输出时钟“CLKOUTP/M ”和输入时钟“CLKP/CLKM”符合什么关系?
This thread has been locked.
If you have a related question, please click the "Ask a related question" button in the top right corner. The newly created question will be automatically linked to this question.
我现在在调试ADS62p49,看芯片手册,下图中的CLOKGEN没有看到相关描述。想知道他的输出时钟“CLKOUTP/M ”和输入时钟“CLKP/CLKM”符合什么关系?
这个是随路时钟。用来给后面的FGPA采集信号用的时钟。
落后这么多,是因为我们芯片内部的pipe line结构的ADC,需要这么多时钟才能完成采样流程