我最近用了ads1274做压力传感器采样,用了两路,高精度模式,基于SPI的discrete模式,clk为5MHz,sclk为2.5MHz,SPS试过1k,500Hz,发现数据有丢码,很频繁,丢码后的数据接近于零电压输入,我输入了1hz正弦波,发现丢码后的数据接近于零输入,且组成了一个与输入正弦波同频的正弦波,只是幅值减小了一个比例,不知各位专家有过类似情况吗?不知是否我的采样率过高了?TI的专家能回答吗?非常谢谢!
This thread has been locked.
If you have a related question, please click the "Ask a related question" button in the top right corner. The newly created question will be automatically linked to this question.
我最近用了ads1274做压力传感器采样,用了两路,高精度模式,基于SPI的discrete模式,clk为5MHz,sclk为2.5MHz,SPS试过1k,500Hz,发现数据有丢码,很频繁,丢码后的数据接近于零电压输入,我输入了1hz正弦波,发现丢码后的数据接近于零输入,且组成了一个与输入正弦波同频的正弦波,只是幅值减小了一个比例,不知各位专家有过类似情况吗?不知是否我的采样率过高了?TI的专家能回答吗?非常谢谢!
在SPI模式下DRDY信号的低电平在每个周期仅仅会停留一个fclk的周期,你说的这种情况芯片并未完全工作正常,请检查下每个管脚的电压是否处于正常状态,或者把你的原理图提供一下以供我们查找问题。
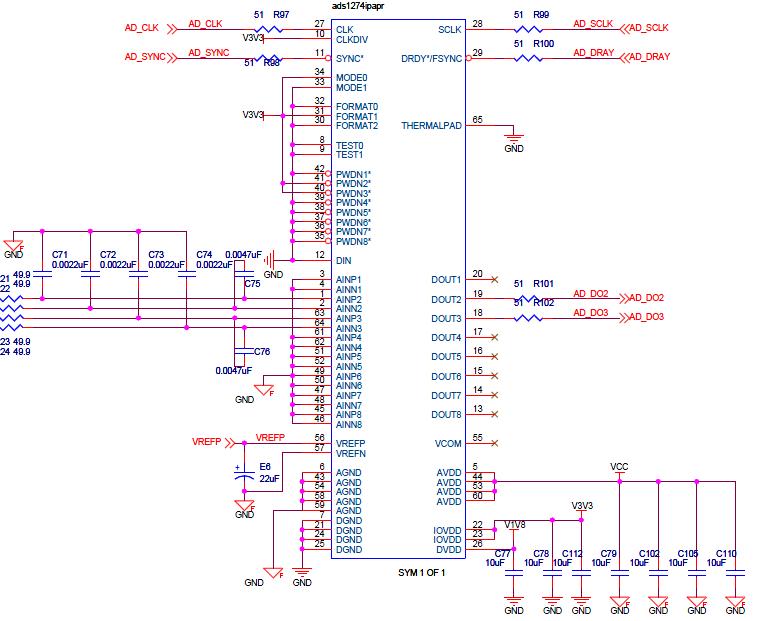
原理图应该没有问题,请还是确认下各管脚的电压值状态是否正确,如输入信号是否超出阈值,时钟输入信号摆幅是否足够等。
还有你这样采到的数据摆幅与你理论上的输入分别是多少?
magang2016 说:HI Sun,
我测到的DRDY电平是宽窄不一的脉冲,不是周期信号。
你好,我也遇到了RDY电平是宽窄不一的情况,导致读到的数据丢了很多,请问你后来解决这个问题了吗?怎么解决的?