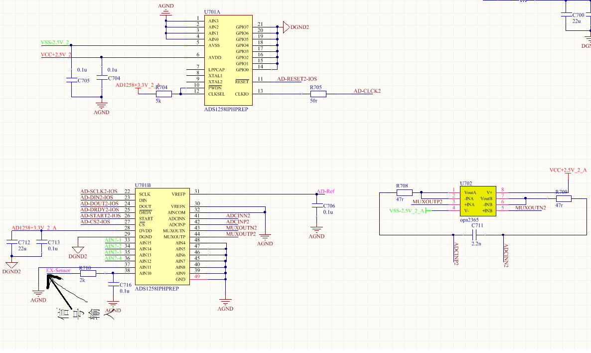
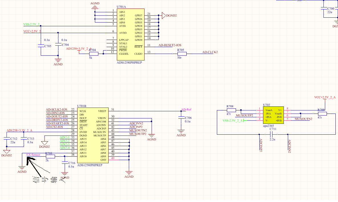
ADS1258采集直流信号的时候 ,输入的直流信号是多少采集计算得到的就是多少
但是采集交流信号的时候,如±500mv的正弦信号采集得到的信号是±100mv正弦信号,这是什么情况?
This thread has been locked.
If you have a related question, please click the "Ask a related question" button in the top right corner. The newly created question will be automatically linked to this question.
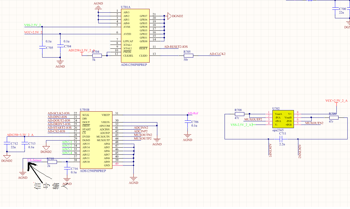
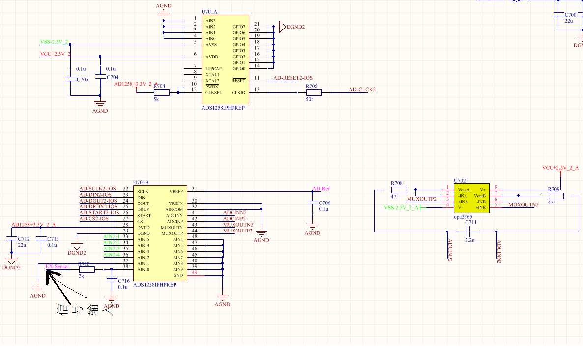
ADS1258采集直流信号的时候 ,输入的直流信号是多少采集计算得到的就是多少
但是采集交流信号的时候,如±500mv的正弦信号采集得到的信号是±100mv正弦信号,这是什么情况?
这是完全满足的 我的供电是±2.5V的供电电压 ADS1258基准电压为2.5V 输入的交流信号是正弦信号幅值±500mv 信号频率3.75K,1258的晶振是7.68M 采集频率DRATE[1:0]这两位是11 也就是7.68M/128=60k,我读取数据的时候是每隔一个DRDY读取一个 这样就是30K的采样频率 采集信号的频率是源信号频率的8倍。