Other Parts Discussed in Thread: ADS1282, OPA735, OPA227, OPA350, OPA2735
This thread has been locked.
If you have a related question, please click the "Ask a related question" button in the top right corner. The newly created question will be automatically linked to this question.
Hi
LDO用于做负电压没有问题,我误会你的意思了。
两种电路比较,有增加buffer电路的参考电路会好一些,既有OPA227的电路。
Hi
这样做需要确认到2个10k电阻的精度, 用OPA735,这个是作为运放用,我认为也可能降低精度。 同时建议您确认一下GND(VSS)的noise, 建议直接连接到GND Plane.
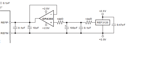
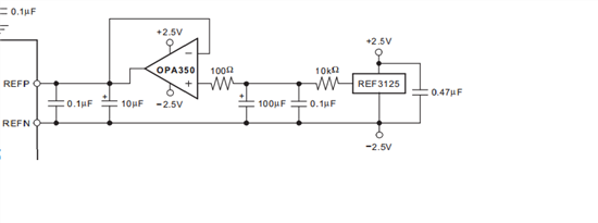
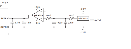
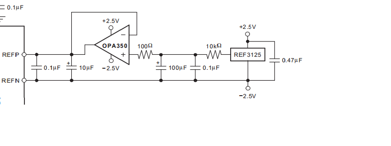
建议使用上面OPA350+REF5050的电路,这个电路中并没有引入其他可以降低精度的因素,运放只是作为buffer, 电路简单,效果应该很好。
用OPA2735,一片上有两个OPA735,这样比再用一个OPA227好点吧