This thread has been locked.

If you have a related question, please click the "Ask a related question" button in the top right corner. The newly created question will be automatically linked to this question.

ADS1198起搏功能怎么配置啊

Other Parts Discussed in Thread: ADS1198, TIPD111

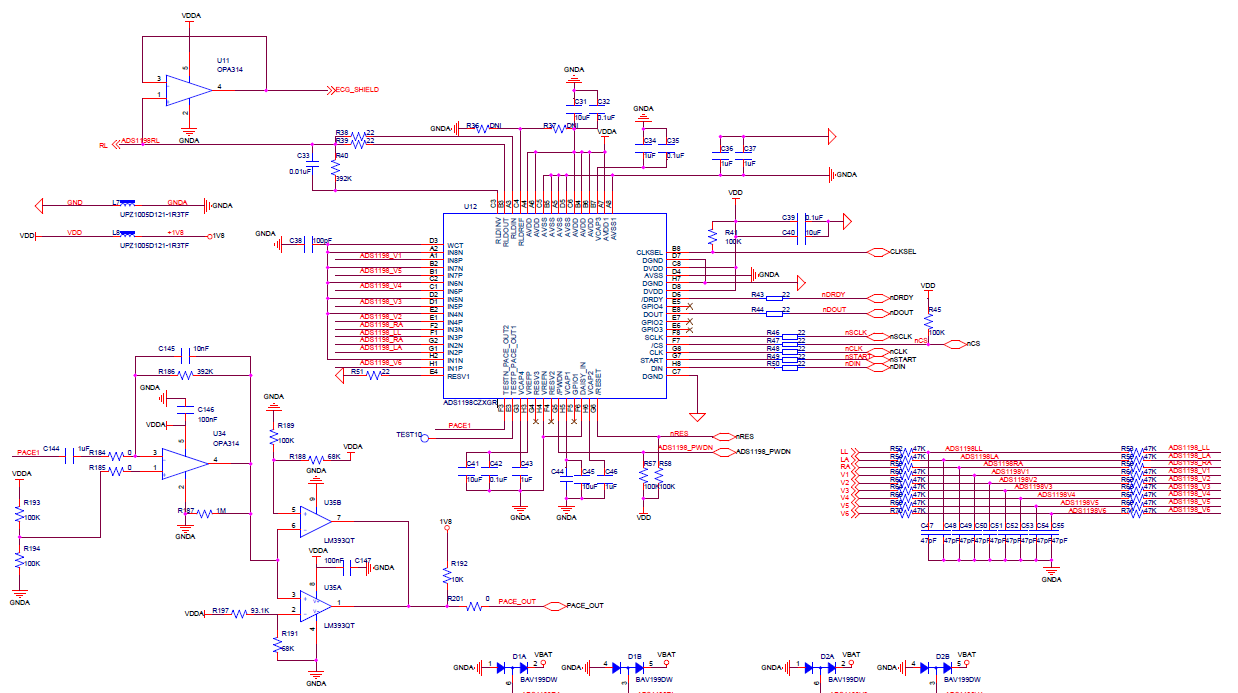
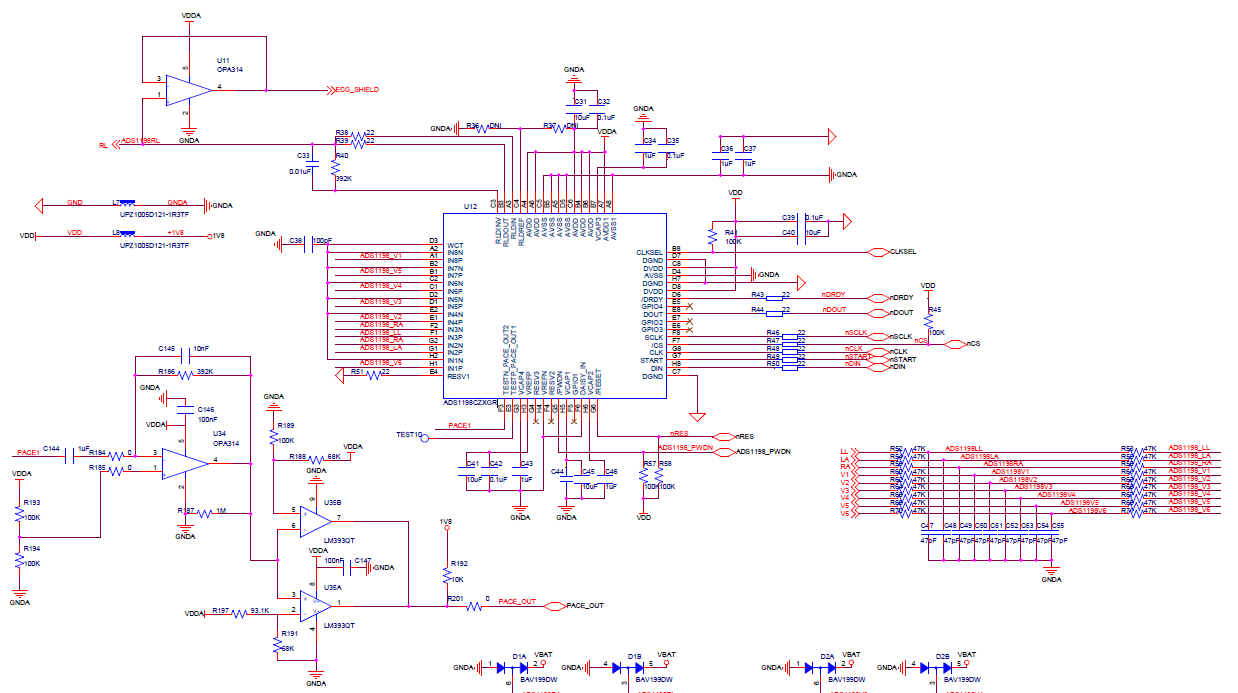
        我们在心电模拟器中加入起搏信号,并根据规格书配置好寄存器,和起搏相关的15h配置为0x03。可是ADS1198起搏检测电路输出(TESTN_PACE_OUT2和TESTP_PACE_OUT1)并没有输出起搏信号。

以下是我们的原理图