1.我的理解就是正极接脑电极,负极接另一个电极或者参考电极就好了,为什么数据手册里还会介绍参考电压,测量的是他们的电压差,为什么还需要公共电压VCM。
2。 还有开发板上JP25的作用是什么,为什么要有这么几个状态。
This thread has been locked.
If you have a related question, please click the "Ask a related question" button in the top right corner. The newly created question will be automatically linked to this question.
1.我的理解就是正极接脑电极,负极接另一个电极或者参考电极就好了,为什么数据手册里还会介绍参考电压,测量的是他们的电压差,为什么还需要公共电压VCM。
2。 还有开发板上JP25的作用是什么,为什么要有这么几个状态。
您好,
1、输入信号需要共模电压是为了让 PGA 工作在线性范围内,具体查看datasheet 9.3.1.3.1 Input Common-Mode Range部分
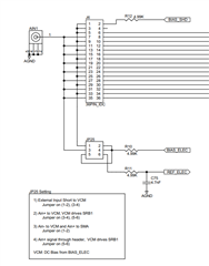
2、ADS1299EEG-FE 用户指南Figure 59右下角有说明,如下截图:
ADS1299EEG-FE 用户指南:https://www.ti.com.cn/cn/lit/pdf/slau443