Other Parts Discussed in Thread: ADS1601
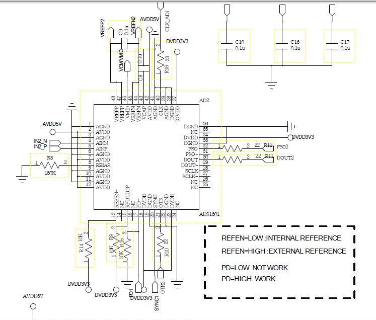
最经使用了TI公司的ADS1601作为采集电路的ADC,可是在使用过程中老是出现ORT信号一直为3.3V,然后DOUT没有输出,其他管脚上的电压经测试又都正常,搞得头大啦,哪位高手有遇到过或知道原因的请指导下啊,谢谢了!
This thread has been locked.
If you have a related question, please click the "Ask a related question" button in the top right corner. The newly created question will be automatically linked to this question.
Other Parts Discussed in Thread: ADS1601
最经使用了TI公司的ADS1601作为采集电路的ADC,可是在使用过程中老是出现ORT信号一直为3.3V,然后DOUT没有输出,其他管脚上的电压经测试又都正常,搞得头大啦,哪位高手有遇到过或知道原因的请指导下啊,谢谢了!