This thread has been locked.

If you have a related question, please click the "Ask a related question" button in the top right corner. The newly created question will be automatically linked to this question.

ADS1220: MCU+32片ADS1220 多个ADC并联如何可靠设计

Part Number: ADS1220


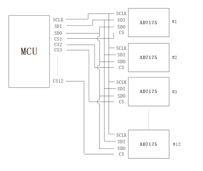
以前设计过12个AD7175同步采集  方案是公用SCLK、DIN、DOUT  不同GPIO控制不同ADC的CS 是没问题的因为DOUT是三态输出、CS高电平失能情况下为高阻状态  测试12个DOUT并联是可以正常使用的
结构如图(项目已测试,使用是OK的)

现在有个场合需要32路ADC AD选的是ADS1220初步计划:
SCLK、DIN通过74HC573(8路) 4路用于SCLK 4路用于DIN 每8个ADS1220公用一个IO
麻烦的是DRDY、DOUT/DRDY、CS处理
目前问题如下
1.还是按照7175那个设计的话32个DOUT接一起不知道有没有问题
2.DRDY要不要省略

3.如果所有ADC公用CS 不同DOUT 是否可行?
4.保证AD时钟同步的情况下 是不是可以用方法3

实在没有什么办法的情况下 打算是用64个IO 32个DOUT 32个CS 采用连续读取模式DRDY省略掉

能节省些IO当然节省一些好 程序写起来也相对简单点

  • 您好,

    1、在datasheet 8.5.6章节有对SPI挂接多个AD的说明,如下截图,SCLK、DIN、DOUT 可以共用,通过用 CS管脚实现片选,对于相应器件,CS 为高电平时,DOUT/DRDY 会进入三态模式。

    2、DRDY引脚指示新数据是否可用,通过FIGURE 67时序读取转换数据时也可以省略DRDY引脚;

    3、如果共用CS,那么就会存在有的AD转换输出结果会丢失,因为主控端应该无法从2个DOUT上同时读取转换数据;

    4、见3