用ADS1255做了个数据采集板,发现在采集信号时刚开始的2分钟会有漂移,经过逐步检查有以下结论:
1. 如果把 ADS1255的差分输入端短接,输出数据没有漂移;
2. ADS1255差分输入的最近端模拟信号 经7位半的电压表测量,也没有漂移;
但两个一组合就漂移了,大概15uV左右,搞不懂了,求可能的原因
This thread has been locked.
If you have a related question, please click the "Ask a related question" button in the top right corner. The newly created question will be automatically linked to this question.
用ADS1255做了个数据采集板,发现在采集信号时刚开始的2分钟会有漂移,经过逐步检查有以下结论:
1. 如果把 ADS1255的差分输入端短接,输出数据没有漂移;
2. ADS1255差分输入的最近端模拟信号 经7位半的电压表测量,也没有漂移;
但两个一组合就漂移了,大概15uV左右,搞不懂了,求可能的原因
Hi
在差分模拟输入的两端你是否有增加一个小电容?
在规格书http://www.ti.com/lit/ds/symlink/ads1255.pdf 第二十八电路图中差分输入有增加RC滤波器,以及在靠近芯片有增加一个100pF电容,而在EVM板的使用指南http://www.ti.com/lit/ug/sbau090c/sbau090c.pdf 第三十八的电路有增加一个10nF的电容。 建议你参考上述。
在你描述的两个结论,1当差分输入短接,就没有noise输入,不会出现飘移动。2当输入有增加电表测量,会增加等效的电容效应,这个可能是noise消失的原因。
非常感谢你的回答,EVM板的电路我注意过了,我也在差分模拟输入两端增加了 10nF的COG电容,甚至换成穿心电容,依旧存在启动时漂移的问题。
另有一个现象。板子预热好以后,关电然后立即开店,那就没有漂移,但断电后过几分钟再开电,就会存在启动漂移的问题。
Hi
看起来和板子上某个器件启动之初的稳定性有关,你可以在TI的网站上申请样片:http://www.ti.com.cn/tihome/cn/docs/homepage.tsp
首先确认芯片问题,然后再逐个确认。
可以的话,把你的电路传上来看看。
另外这个启动之初的飘逸到稳定的时间长吗?是否可以采用延时的方法来避免。
Hi
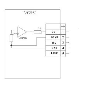
是否有尝试过不要前面的运放电路,测试启动之初的飘逸现象:
直接给信号到ADS1255的模拟输入端(输入端的电容尽量靠近芯片模拟输入脚),看是否仍然有上述启动之初的飘逸现象?
Hi
应该是运放这一块设计上的问题,原因可能是ADC输入的阻抗匹配上的问题(在AIN1前增加R7看看?), 也可能是AIN0前端的电压跟随器导致的?
或许你可以看一下TI 另一款芯片ADS8463,前端增加运放的电路,和你的电路比较类似,或许可以得到启示: