Other Parts Discussed in Thread: ADS1258, REF3125, OPA350
尊敬的TI工程师您好:
最近我在设计一个AD采集电路,选用的芯片是TI公司的ADS1258,在设计过程中,有些问题不是很清楚,麻烦您能抽时间帮我看一看,给一些参考意见。谢谢!
说明:
电源 双端供电AVDD=+2.5V、AVSS=-2.5V;DVDD=3.3V;
问题一:
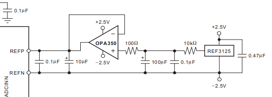
参考电源VREFP、VREFN电路参考ADS1258数据手册“Figure68.BridgeInput, Single-SupplyOperation”,选用REF3125+OPA350,
这个问题 Johnsin Tao 已经给我解答了,VREFP=+2.5V、VREFN=-2.5V;
Johnsin Tao 在回复中说“可以仅仅用REF3125 和0.1uF+10uF的参考bypass电容即可。”这个我不太明白!
您的意思是用一个REF3125产生+2.5V,再用另一个REF3125产生-2.5V吗?(用-5V和0V供电)
另外:我查了下REF3125的手册,上面没有±2.5V供电参考电路,只有+5V供电,输出±2.5V的参考电路,如图:
不知道ADS1258里的电路是否正确?
这样的参考电压,可以接受的输入电压信号范围是多少?
问题二:
我要测试的信号有三种:
1、±5V的电压信号,这个应该用电阻分压,来保证输入ADS1258的信号电压不超过规定值;
2、±2.5V电压信号,这个应该是可以直接输入的吧?时候还需要做其他处理?比如加保护电阻,电容?
3、电流信号,通过电阻转化为电压信号,输入;
关于这三种要采集的信号,我以上说明是否正确,您有什么建议?
还有就是参考电路是对±10V电压信号的采集,为什么分压电阻选择的是9.09K和1K,这样分压是否合理?
问题三:
时钟问题,我选用是32.768K晶体,关于接地的问题是,手册里是连接AVSS
我的电路中AVSS=-2.5V,电路连接如下,是否正确?
问题四
外部运放的使用,是否可以参考手册中电路使用?
另外: Decapton Wang 回复的REF 5系产生正参考电压的优势,由于我使用情况的特殊,我需要正负参考电压,
不知道您是否有好的解决方案?
再次感谢您百忙之中对我问题的解答。





