This thread has been locked.

If you have a related question, please click the "Ask a related question" button in the top right corner. The newly created question will be automatically linked to this question.

THS1408输入电压范围

Other Parts Discussed in Thread: THS1408

THS1408的差分输入端单端输入电压范围手册上是-0.3V~+3.6V,双端输入电压范围是+-2V。我们现在电路的设计是将+端接+1.6V参考电压,负端输入模拟信号经钳位二极管接地和+3.3V电源保护。由于前端模拟电路上电时一段时间处于未定状态,THS1408经钳位二极管保护后的输入电压最高在+4V,最低在0.7V。尽管目前用下来没问题,但因为超过了手册上的Absolute Ratings,不知道这样用对器件是否有损害?

  • 通常情况下在使用芯片时,我们都是要参考RECOMMENDED OPERATING CONDITIONS中的电气特性范围,而不推荐参考手册中的Absolute Ratings,在你的应用中并且超过了Absolute Ratings,长期使用的话会对器件造成永久性的损害。

  • 能解释一下这种损坏的机理吗?因为看不到THS1408的内部结构,我们无法对模拟输入超出0.4V(实际最大输入4V,超出Absolute Ratings3.6V仅0.4V)说造成的影响进行分析。

  • 钳位二极管也和一般二极管一样,两端超过开启电压则电流迅速增加,发热,效果就是可能把内部电路烧毁。当然,这只是其中的一种因素。

    一般工作在推荐的工作电压最好,而Absolute Rating是极限参数,超过极限参数使用是不允许的(自己想试着玩的除外)

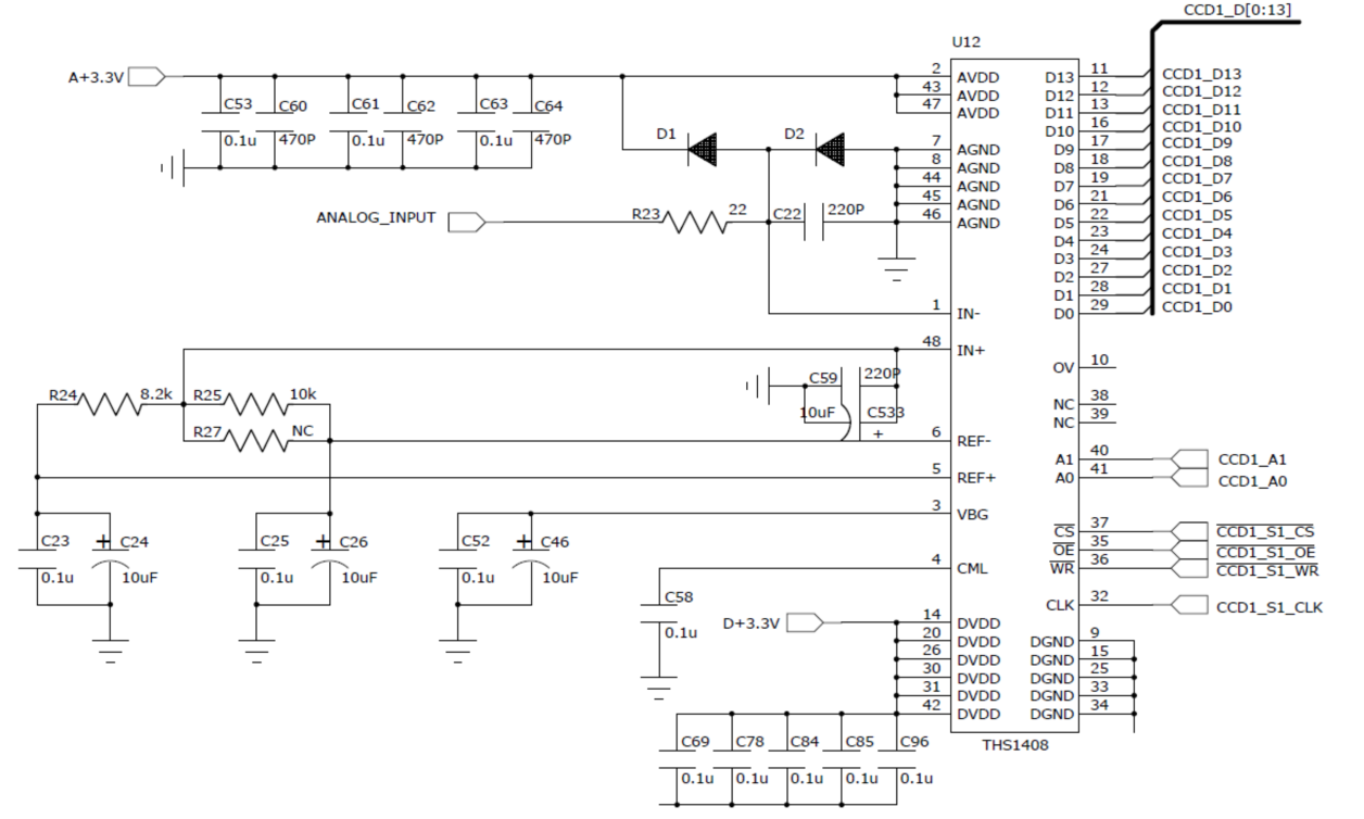
  •       在设计中,我们将THS1408配置成如下连接:

           由于前端模拟电路存在不稳定状态,我们在THS1408的负输入端(IN-)接入D1D21N4148,导通压降约0.6V)用作钳位保护二极管。实际上THS1408的输入端对地和电源端也接有钳位保护二极管,用万用表测量,导通压降约为0.447V。这样,起到钳位保护作用的其实是THS1408内部的钳位二极管。

           根据THS1408Datasheet,其单端模拟输入范围为-0.3V to AVDD + 0.3V,即-0.3V to 3.6V

            实际电路中,ANALOG_INPUT输入端输入电压范围为-0.7V~+5.7V。在THS1408负输入端(IN-)内部的钳位二极管保护下,当输入为-0.7V时,IN-电压钳位在-0.45V左右,电流约11.4mA;当输入为+5.7V时,IN-电压钳位在3.8V左右,电流约90mA,且THS1408正输入端(IN+)电压由+1.6V左右变为+2.66V(不正常,即REF+和REF-参考输出电压异常。)。每次上电时,由于前端模拟电路存在15~20分钟的不确定状态,ANALOG_INPUT输入端会处在-0.7V+5.7V电压下。尽管已经历近千次的开关机,THS1408工作仍正常。不知道THS1408输入端保护二极管最大输入电流是多少?或该保护二极管的特性曲线是什么?我们目前的设计对于THS1408的可靠性和使用寿命有多少影响?

           我们想到的可能减少过压对THS1408可靠性和使用寿命产生影响的方法是将R2322欧姆电阻换成220欧姆,C22220P换成22P。这样RC滤波参数基本不变,但过压时,THS1408输入端保护二极管通过的电流分别减少为1.17mA8.64mA

           不知道我们的分析是否正确。谢谢!


  •       在设计中,我们将THS1408配置成如下连接:

           由于前端模拟电路存在不稳定状态,我们在THS1408的负输入端(IN-)接入D1D21N4148,导通压降约0.6V)用作钳位保护二极管。实际上THS1408的输入端对地和电源端也接有钳位保护二极管,用万用表测量,导通压降约为0.447V。这样,起到钳位保护作用的其实是THS1408内部的钳位二极管。

           根据THS1408Datasheet,其单端模拟输入范围为-0.3V to AVDD + 0.3V,即-0.3V to 3.6V

            实际电路中,ANALOG_INPUT输入端输入电压范围为-0.7V~+5.7V。在THS1408负输入端(IN-)内部的钳位二极管保护下,当输入为-0.7V时,IN-电压钳位在-0.45V左右,电流约11.4mA;当输入为+5.7V时,IN-电压钳位在3.8V左右,电流约90mA,且THS1408正输入端(IN+)电压由+1.6V左右变为+2.66V(不正常,即REF+和REF-参考输出电压异常。)。每次上电时,由于前端模拟电路存在15~20分钟的不确定状态,ANALOG_INPUT输入端会处在-0.7V+5.7V电压下。尽管已经历近千次的开关机,THS1408工作仍正常。不知道THS1408输入端保护二极管最大输入电流是多少?或该保护二极管的特性曲线是什么?我们目前的设计对于THS1408的可靠性和使用寿命有多少影响?

           我们想到的可能减少过压对THS1408可靠性和使用寿命产生影响的方法是将R2322欧姆电阻换成220欧姆,C22220P换成22P。这样RC滤波参数基本不变,但过压时,THS1408输入端保护二极管通过的电流分别减少为1.17mA8.64mA

           不知道我们的分析是否正确。谢谢!

  • hi, MichaelSheep。我贴了个比较详细的关于THS1408输入电压范围的帖子在楼上,请您再帮助看一下。谢谢!

  • 你好,不好意思这两天比较忙现在才回复。

    当然,还是重申一下不推荐这样的超极限参数的用法,因为具体的对器件的损失我们也很难估计。我也很难得到具体钳位二极管的特性。为什么不考虑换个ADC和电源轨,或者对前级做一定的衰减呢?是什么难处吗?

  •     您说的“换个ADC和电源轨,或者对前级做一定的衰减”都可行,只是目前我们再做硬件更改代价很大,所以我们想分析一下目前这种使用对于可靠性和使用寿命到底有多少影响。有没有办法呢?实在不行,我们准备做试验来考核了。

  • C22处如果有空间并联一个电阻我觉得是一种选择。你可以利用戴维南等效试试计算看看,我不是很清楚你的滤波器具体什么要求,就逻辑上应该可以实现。

    当然,可能整个系统的输入阻抗可能会因为这样儿变小,这点要注意到。具体你试试吧。我也只能帮到这样了。