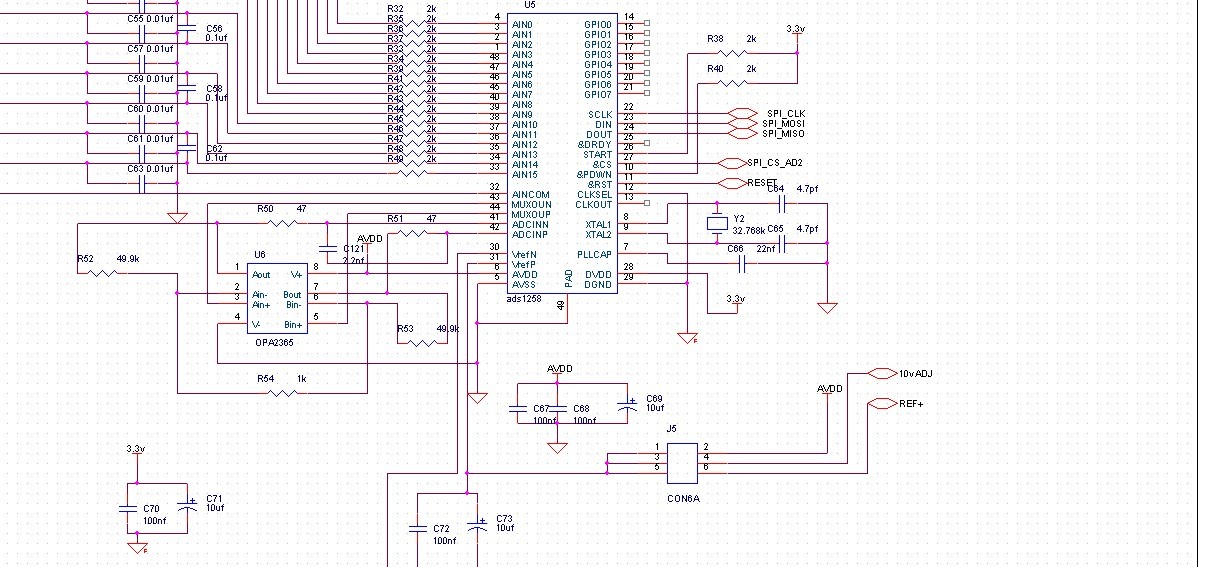
ads1258,感觉无法起振,CLKIO无输出,低电平。 CLKSEL置低,START PWDN都置高,其他都是按手册来处理的,现在6块板子就一块板子有输出的,而且也只有2,4,6,8通道有输出(8路差分),其他通道读出来都是0,晶振换过好多批了,芯片也换过好多块,就是都无效果,接下来准备换电容,有没有大神知道这个问题如何解决?
This thread has been locked.
If you have a related question, please click the "Ask a related question" button in the top right corner. The newly created question will be automatically linked to this question.
ads1258,感觉无法起振,CLKIO无输出,低电平。 CLKSEL置低,START PWDN都置高,其他都是按手册来处理的,现在6块板子就一块板子有输出的,而且也只有2,4,6,8通道有输出(8路差分),其他通道读出来都是0,晶振换过好多批了,芯片也换过好多块,就是都无效果,接下来准备换电容,有没有大神知道这个问题如何解决?
你好,
不知道换了电容问题解决了吗? Figure39有典型电路图,且晶振和电容需要尽可能靠近芯片。
具体测试情况如下:
数字电压 3.30v
模拟电压5.03v
参考电压同模拟电压
start pwdn 通过10k电阻接入,reset通过gpio口输出高电平,clkio接数字地(数字地和模拟地通过0欧电阻连接)。晶振用过两种品牌的,参数符合datasheet,电容买过两次精度都是10%的 4.7pf 和22nf。晶振和电容要求不会这么高吧?还是其他问题?
从电路上看暂时没看出什么问题,要不换一种思路,
手册36页有一些默认的值,你试试看在上电以后能读出来吗?值有异常吗?
你好。我之所以感觉不起振,不光是因为clkio没输出,还有就是spi的dout根本没有响应,我现在用烙铁加热晶振输入端能获得短暂的起振,这个时候dout是有输出的
你好,
这个问题我也没遇到过,我觉得会不会是温度改变其等效电容所以起振吗,看把电容从20pf左右换到3pf试下来?
我也很赞同的观点。但是是芯片内部电容。20pf是什么?我没20pf的东西。4,7pf换3pf?
我意思是晶振边上的电容多换几个值试试,从3pF换到20pF左右。
Hi
也建议确认一下晶振问题,之前不少可以买到的晶振是坏的。
我晶振换了不下20个了。我实在想不通,搜索过所有有关1258的,貌似至于1个人反应这个片子的确难起振