This thread has been locked.

If you have a related question, please click the "Ask a related question" button in the top right corner. The newly created question will be automatically linked to this question.

TXB0108引起的乱码

Other Parts Discussed in Thread: TXB0108

你好!

我这边使用TXB0108实现MCU-1.8V串口同SP3238-3.3V的电平转换。但是在MCU关机的情况下,VDD_3V3仍带电,结果就出现了TXD上报乱码的情况(PC端的串口工具观测到的),请问这个是什么原因造成的?

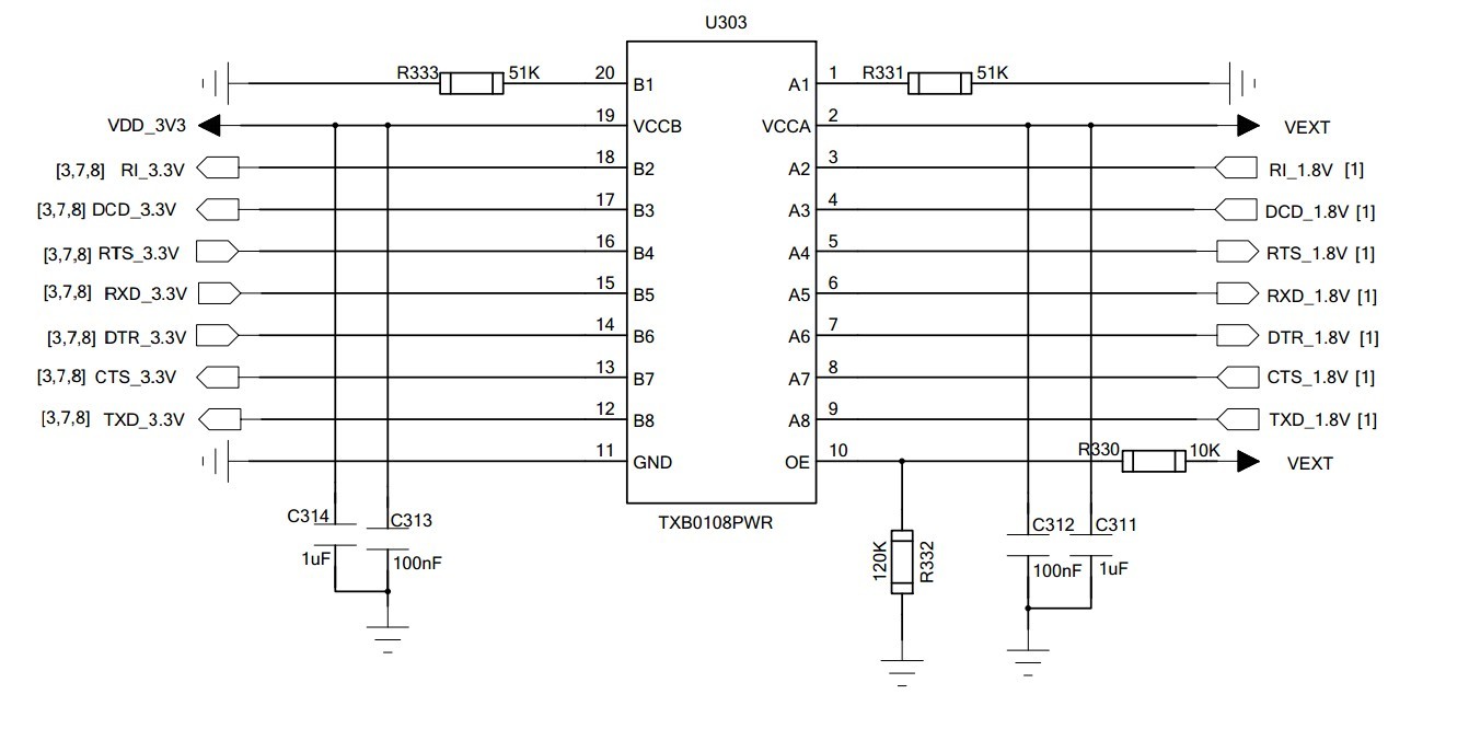
如下图,VDD_3V3为SP3238串口芯片的电压,一直工作;VEXT为MCU的1.8V电压,MCU关机后,该电压关闭。

当示波器探头监视TXD_3V3时,关机后无乱码上报;当示波器不监视,或监视TXD1V8时,关机后有乱码上报。

  • TXB0108具有VCC isolation 特性,换句话说,当部分电压掉电之后,输出将会被diable掉或输出呈高阻抗状态。 如果VCCB=0V,那么Aport diable掉,同样,VCCA=0, B port disable掉。

  • 由于MCU关机,VCCA会由1.8V掉电至0.6V。(20ms的下降时间)

    是否在这个过程中引起TXD_3V3的波动,从而引起PC端显示的乱码?

    当我这边用示波器监视TXD_3V3时,串口没有乱码上报;TXD_3V3下拉50K电阻,也没有乱码上报。当时示波器观测到的TXD_3V3在VCCA掉电后,是0V电平,但有200mV左右的波动。

  • 再补充一个问题:

    还是上面的应用,当我在DTR_1V8端增加电平控制(通过安捷伦电源),结果MCU会死机。

    通过示波器监视DTR_1V8,当模块开机后,在DTR_1V8端加电压0~1.2V都会出现下图的波形。超过1.2V,就会是固定的电平。请问这个问题是不是也是TXB0108引起的?

    (DTR_1V8是软件上拉到1.8V的输入控制管脚。当DTR_1V8不连接TXB0108时,通过这种测试控制是没有问题的。)