This thread has been locked.

If you have a related question, please click the "Ask a related question" button in the top right corner. The newly created question will be automatically linked to this question.

【求助】ADC14L020数据转换器 旁路参考电压问题

Other Parts Discussed in Thread: ADC14L020

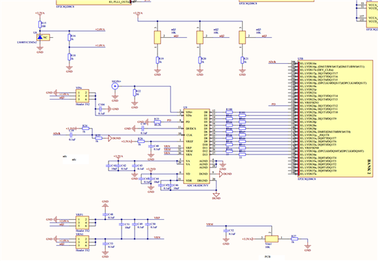
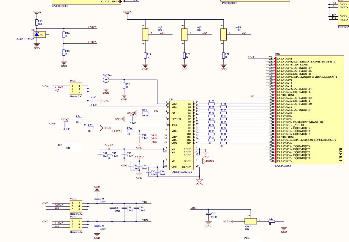
ADC14L020数据转换器,Vrm引脚在连接滑动变阻器后,电压无法调节,一直是3.0v,取下变阻器,串接1k电阻,压值为从0.2V到1V跳动,不稳定,请问该引脚如何接入电压。以上所述情况是否可以认为芯片已经损坏。

取下电阻器,发现Vrm引脚有电压输出,电压为0.3V

  • Vrm, Vrp和Vrn引脚加电容了吗?把你的图发上来瞧瞧。

    另外,Vref是用的内部,还是外部?电压多少?

  • 我画的是单端信号输出模式,数据手册对该模式的Vrm,Vrp,Vrn,Vin-的说明较少,请尽可能详细说明下。Vref采用外部3.3VA

  • Vref接3.3V时,选择的是内部1.0V参考,这时VRP和VRN不能再有电压输入,只需按datasheet的figure 37方式加3个电容即可。此时去掉滑动变阻器,VRM应该是1.5V。因为VRM是输出管脚,你外面加3.3V可能会有些问题。

    另外你要注意差分输入的共模范围是0.5~~~2V;

    还有ADCLK时钟信号,不知道你通过R24和R25加1.65V的共模是什么原因?你测试pin10输入时钟信号的波形。

  • 如你所示,我将VRP和VRN电容接地,Vref仍然接3.3V,VIN+VIN-无输入,Vrm的输出波形为周期波动的直流量,如图所示,此时波形是否正确,单端输入情况下,Vin-端是否应该直接与Vrm相连或者用电位器提供一个有效值相等的直流电平。