Other Parts Discussed in Thread: DAC7678
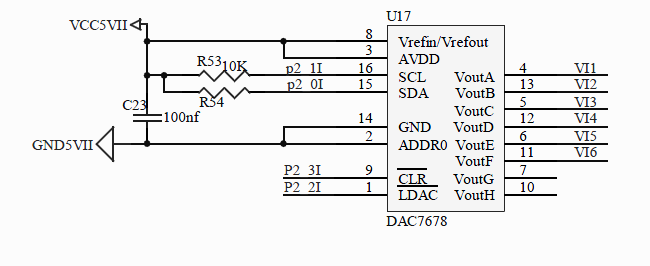
按照datasheet写的驱动,现在有个问题一直解决不了,对DAC7678 使用软件复位或CLR引脚清除都不能实现输出完全是0电平,而是0.5mV-1.5V不等的电压,几个通道电压值不一样,但是都有;
求指点,怎样才能完全输出0电平;
补充:使用的外部参考电压;
This thread has been locked.
If you have a related question, please click the "Ask a related question" button in the top right corner. The newly created question will be automatically linked to this question.
Other Parts Discussed in Thread: DAC7678
按照datasheet写的驱动,现在有个问题一直解决不了,对DAC7678 使用软件复位或CLR引脚清除都不能实现输出完全是0电平,而是0.5mV-1.5V不等的电压,几个通道电压值不一样,但是都有;
求指点,怎样才能完全输出0电平;
补充:使用的外部参考电压;