This thread has been locked.

If you have a related question, please click the "Ask a related question" button in the top right corner. The newly created question will be automatically linked to this question.

使用ADS8365 碰到芯片发烫的厉害,求助!!!

Other Parts Discussed in Thread: ADS8365

近期在使用ADS8365芯片,采集A通道中2个通道数据,使用循环模式采集,即A2A1A0=110;

设置如下:1. 使用外部1MHZ晶振,工作电压3.3v;

                    2. 控制HOLDA来启动转换,HOLDB和HOLDC接电阻到3.3V;

                   3. BYRE和ADD下拉GND;

                   4. 循环6次读数据,每次读数据间隔大概500ns;

在使用中经常碰到上电使用正常,运行一段时候后芯片开始发烫,烫到能闻到烧糊的味道,手放不住上面,

断点重新上电运行正常,这个现象一天8小时能碰到几次;换过ADS8365芯片,换过PCB板,现象还会出现;

请问这个是什么情况?

  • Hi Jianjun,

        能否监控一下在正常和发热两种条件下供电电源的电流状况。

  • 可以的,等下去测试 ;

    目前碰到发烫的时候,3.3V电压被拉到2.5V左右;

    1. 今天做了实验用可调电阻作为信号输入,接运放,再接到ADS8365输入,运行一天没有发烫现在;

    2. 但是用压力传感器作为信号输入,接运放,在接到ADS8365输入,运行几十分钟就发烫了;

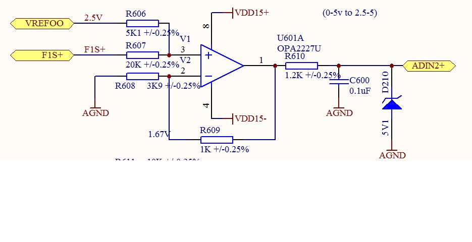
    附件是运放的电路图,请指点??

  • Hi Jianjun,

       能否分别测量一下用可调电阻和压力传感器作为输入时运放的输出是多大?

       另外,给ADS8365供电的3.3V电源除了给ADS8365供电还给哪些器件供电?

  • Hi Nick Dai,

             3.3V除了给AD8365供电,还给MCU(stm32   mcu大概需要100mA)供电;

             电流测出来了,ADS8365正常工作的时候20mA左右,当ADS8365异常工作时(发烫很厉害时),电流会增加到500mA,并急剧上升到1A以上,

    所以供电电压3.3V被拉到2.5V左右;

             今天碰到一个问题,用笔记本电脑(没插电源用电池供电)通过仿真器进行仿真时,ADS8365工作正常,温度(120左右)和温度正常;

    当我把笔记本电源插,仿真器无法仿真,此时电流变为500mA并不断增加,AD8365立即发烫,MCU温度正常;

    关掉仪表电源,重新上电,仿真器无法仿真;

    直到把电脑电源拔掉,才能仿真正常,电流正常;

    我们做的是控制器,控制松下伺服,来控制电机;

    是否是伺服干扰通过电脑电源——》仿真器——》控制器——》ADS8365,引起ADS8365工作正常???

  • 少打一个字,“引起ADS8365工作不正常???“

  • Hi Jianjun,

        查看你一下你的系统接地是否正确。

        另外,换一个台电脑或是台式机分级来测试,电脑(带电源)+仿真器是否有问题,电脑(带电源)——仿真器+ADS8365是否有问题?

  • 这个AD8365电流达到500MA以上是处于什么状态?

    2台电脑+2个仿真器都会出现这个问题,

    Ad8365的数字地和模拟地用隔离dc-dc电源隔离的。