Other Parts Discussed in Thread: THS1408
THS1408参考电压偏移问题
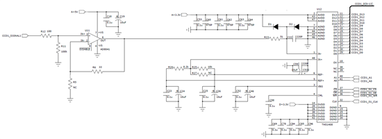
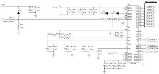
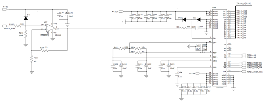
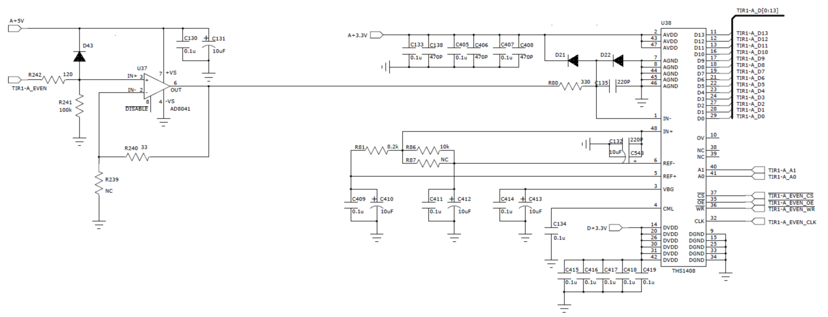
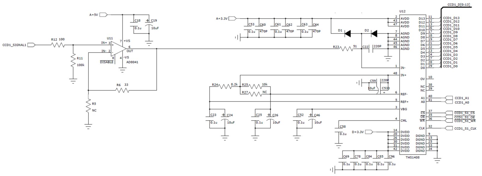
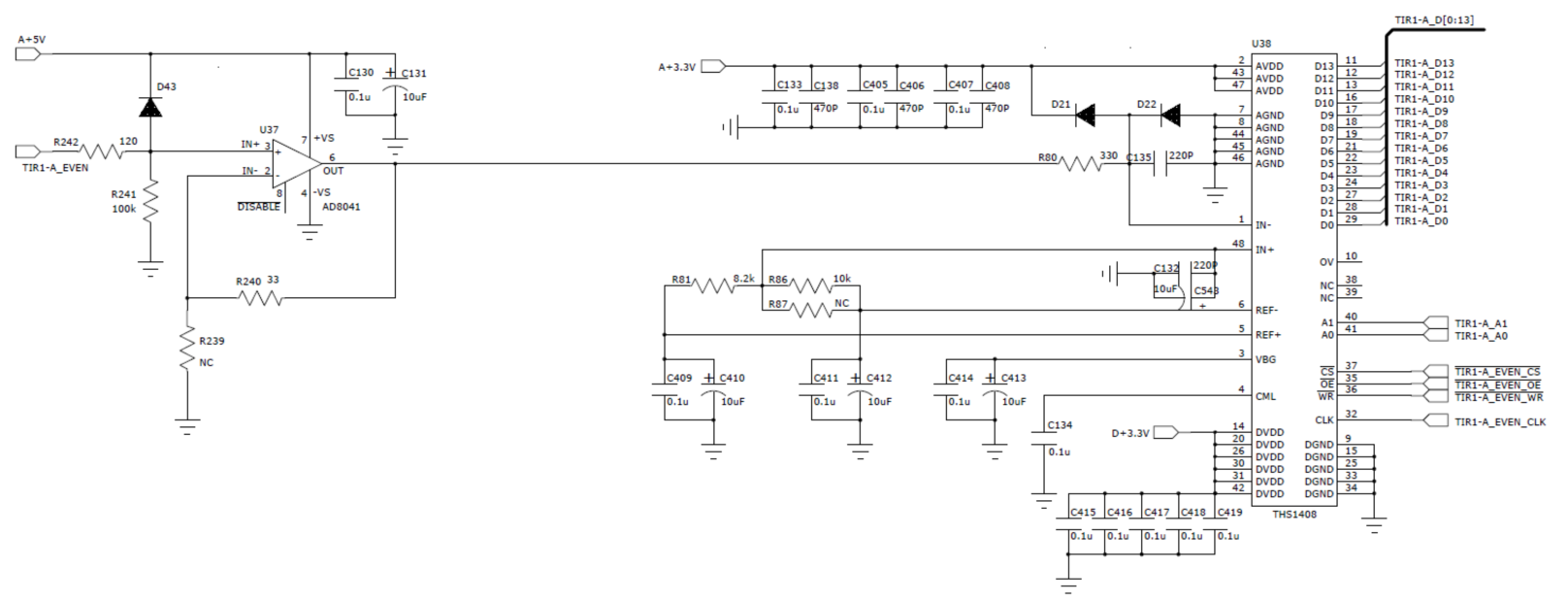
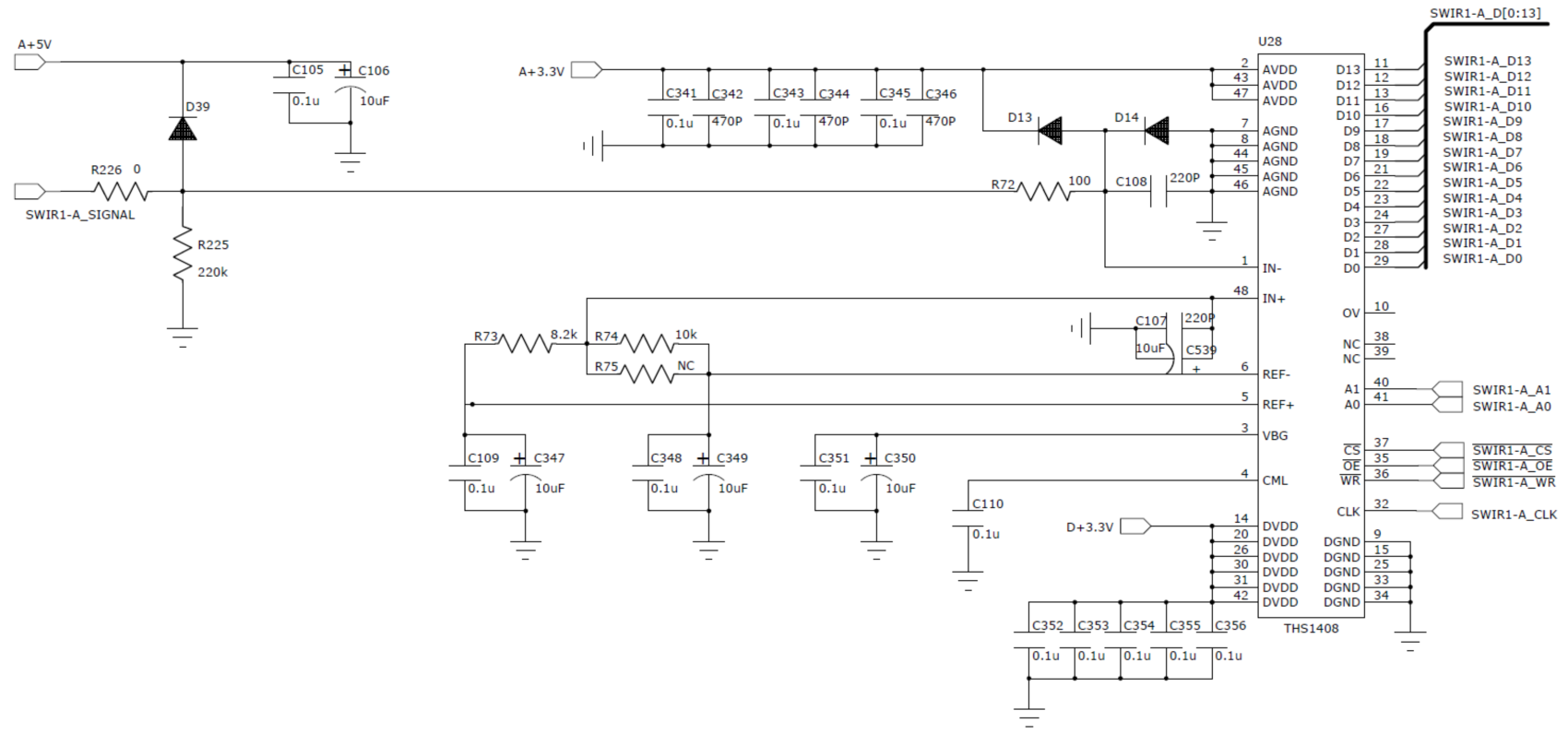
我们在设计中将THS1408配置成如图 1、图 2和图 3所示。IN-端接输入信号,IN+端通过REF+和REF-间的电阻分压网络,将IN+端电压限定在接近1.6V左右。
图 1 CCD THS1408电连接图
图 2 SWIR THS1408电连接图
图 3 TIR THS1408电连接图
然而在试验中我们发现随着IN-端输入电压的变化,IN+端电压也会随之变化。图 1中IN-端输入为4MHz的CCD模拟信号,THS1408工作在8MHz;图 2中IN-端输入为0.8MHz的SWIR模拟信号,THS1408工作在0.8MHz;图 3中IN-端输入为0.5MHz的TIR模拟信号,THS1408工作在0.5MHz。我们用三端可调电阻模拟IN+端输入电压的变化,测试IN-端电压的变化,测得如下数据:
|
CCD THS1408测试(THS1408工作在8MHz) |
|||||
|
序号 |
IN-端输入直流电压 |
IN+端参考电压 |
REF+ |
REF- |
备注 |
|
1 |
3V |
1.6846V |
- |
- |
REF+和REF- 未检测 |
|
2 |
2.5V |
1.6580V |
- |
- |
|
|
3 |
2V |
1.6300V |
- |
- |
|
|
4 |
1.5V |
1.6015V |
- |
- |
|
|
5 |
1V |
1.5740V |
- |
- |
|
|
6 |
0.5V |
1.5467V |
- |
- |
|
|
7 |
0V |
1.5215V |
- |
- |
|
|
SWIR THS1408测试(THS1408工作在0.8MHz) |
|||||
|
序号 |
IN-端输入直流电压 |
IN+端参考电压 |
REF+ |
REF- |
备注 |
|
1 |
0V |
1.5805V |
2.4811V |
0.4890V |
|
|
2 |
0.48V |
1.5815V |
- |
- |
REF+和REF- 未检测 |
|
3 |
0.92V |
1.5825V |
- |
- |
|
|
4 |
1.47V |
1.5832V |
2.4812V |
0.4891V |
|
|
5 |
2V |
1.5842V |
- |
- |
REF+和REF- 未检测 |
|
6 |
2.51V |
1.5850V |
- |
- |
|
|
7 |
2.98V |
1.5859V |
2.4813V |
0.4891V |
|
|
TIR THS1408测试(THS1408工作在0.5MHz) |
|||||
|
序号 |
IN-端输入直流电压 |
IN+端参考电压 |
REF+ |
REF- |
备注 |
|
1 |
0.5V |
1.5646V |
- |
- |
REF+和REF- 未检测 |
|
2 |
1V |
1.5669V |
- |
- |
|
|
3 |
1.5V |
1.5695V |
- |
- |
|
|
4 |
2V |
1.5717V |
- |
- |
|
|
5 |
2.5V |
1.5739V |
- |
- |
|
|
6 |
3V |
1.5764V |
- |
- |
|
通过试验分析,IN-端输入电压变化时,REF+和REF-端电压基本不变,但IN+端有变化,特别是THS1408工作在8MHz时,IN+端变化有163mv。不知道IN+端电压的变化是受什么影响?如何解决这个问题?谢谢!


