This thread has been locked.

If you have a related question, please click the "Ask a related question" button in the top right corner. The newly created question will be automatically linked to this question.

LMH0030输出SDI信号的抖动问题

Other Parts Discussed in Thread: LMH0030, DS92LV16, TPS5430, LMH0031

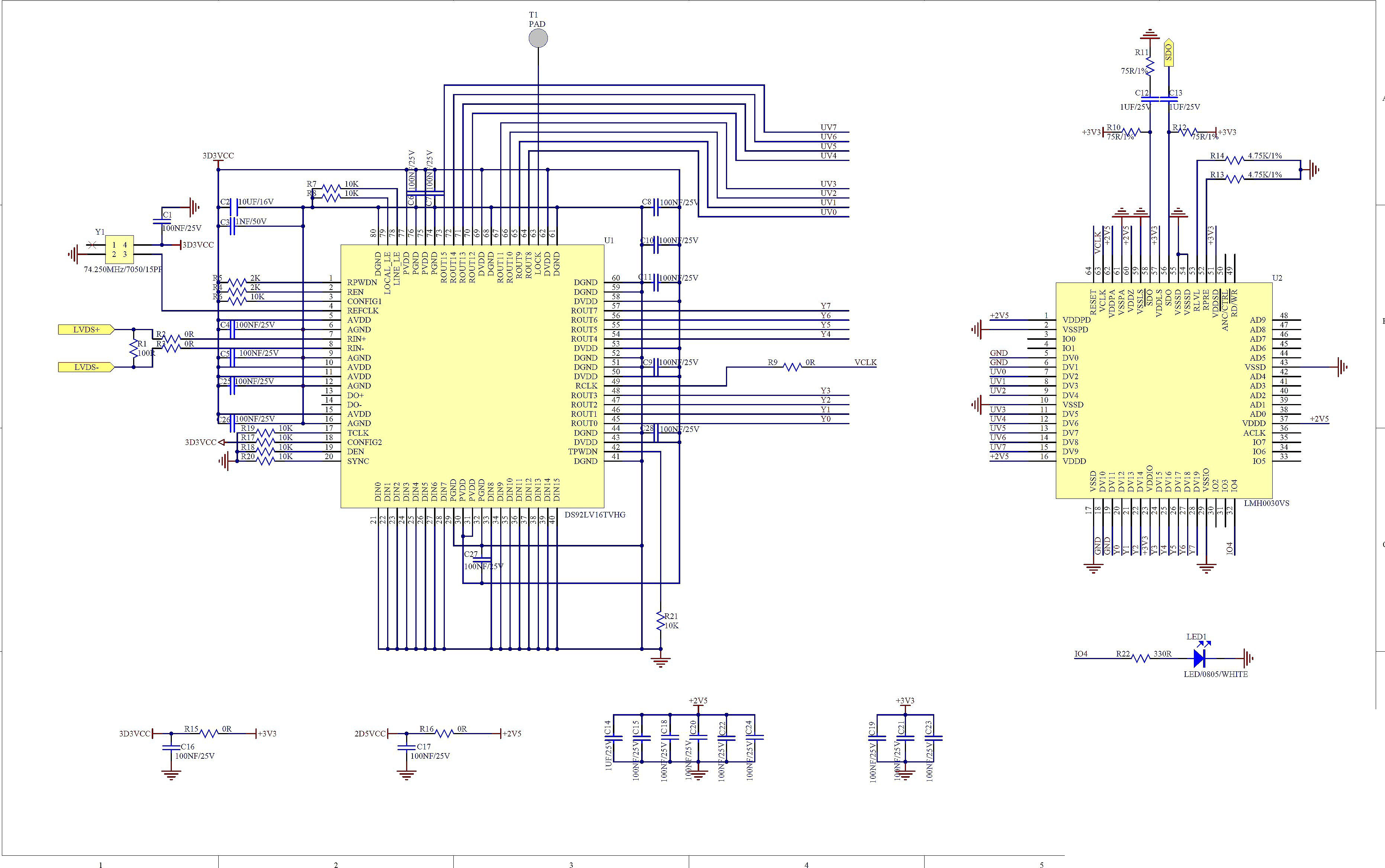
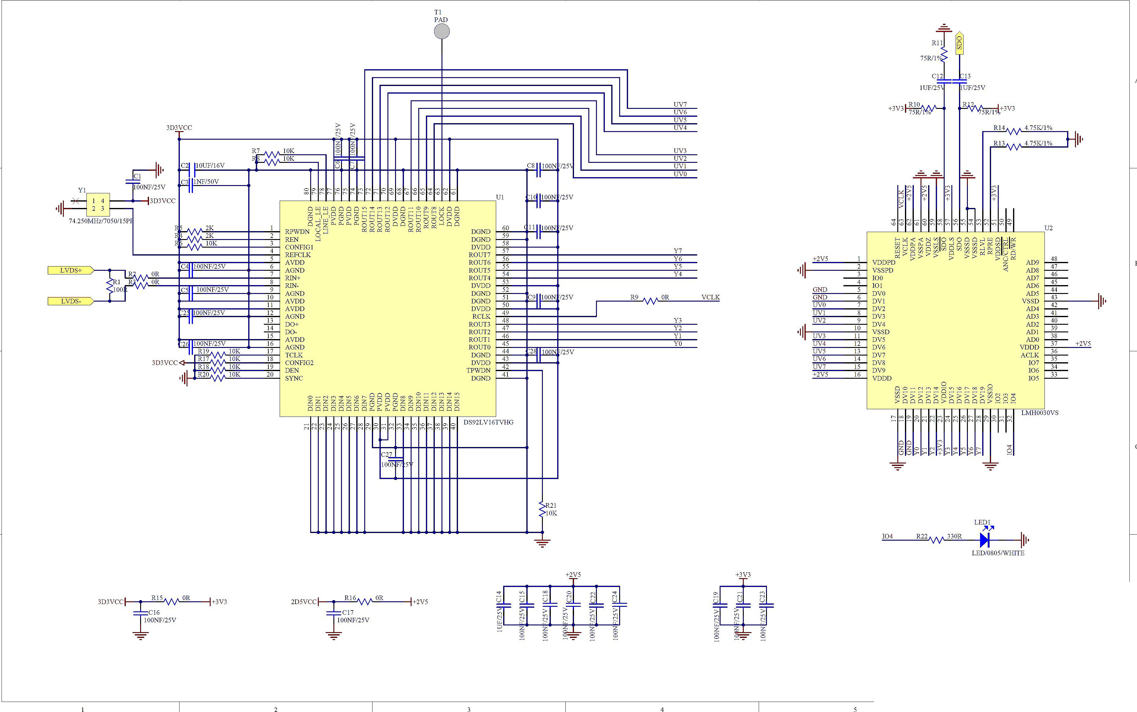
我的项目是 LVDS信号输入,SDI信号输出

                      采用的方案是DS92LV16+LMH0030

                     图像可以显示,但问题是信号抖动过大,jitter:达到5000PS.  而LMH0030的抖动参数是85ps。我完全是按照数据手册做的电路图,

                     请问出现这个现象的原因,或是是否有DS92LV16和LMH0030的其他参考电路可供参考