This thread has been locked.

If you have a related question, please click the "Ask a related question" button in the top right corner. The newly created question will be automatically linked to this question.

【原创】+关于差动放大器THS4521的匹配电阻网络的重要性

Other Parts Discussed in Thread: THS4521

【原创】+关于差动放大器THS4521的匹配电阻网络的重要性

文章内容仅供参考

 

   差动放大器是一种特殊用途放大器,旨在测量差分信号,也称为减法器。 差动放大器能够移除干扰共模信号,称为共模抑制(CMR),这是它的一项主要特性。 与大多数类型的放大器不同,差动放大器通常能够测量超出供电轨的电压,适合存在较大直流或交流共模电压的应用。 差动放大器是电流和电压监控应用的理想选择。

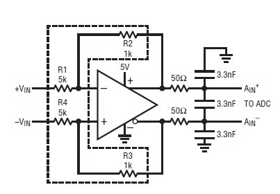
    TI的差动放大器具有40多个型号,THS4521是比较出色的一个型号,性能优异。但即使再好的差分驱动器,也必须配合合适的匹配电阻网络才能发挥其优越性能。而实际上,电阻器的非理想性会对各种电路产生影响,例如:共模抑制比(CMRR)、谐波失真和稳定性。例如图1所示,配置一个单端放大器以将接地参考信号电平移位为2.5V共模电压就需要一个上佳的CMRR。假如CMRR为34dB且没有输入信号,则该2.5V电平移位器将产生一个50mV的输出偏移,其甚至有可能压倒12位ADC和驱动器的LSB和偏移误差。

 

   对于运放而言,34dB是一个不太理想的CMRR。然而不管运放的性能如何,一个由1%容差电阻器构成的反馈网络会将CMRR限制在34dB。高度匹配的电阻器确保设计人员能够接近或达到放大器产品手册所宣称的性能指标。

 

共模抑制比

   为了在存在共模噪声的情况下获得精确的测量结果,拥有高CMRR是很重要的。输入CMRR定义为差分增益与输入共模至差分转换增益之比。

 

    在理想的单端和全差分放大器中,只有输入差分电平会影响输出电压。然而实际电路中,电阻器失配对可用CMRR造成了限制。对于上图,当采用平匹配准确度为2%(1%容差)的表面贴装电阻器时,产生自电阻器的最坏情况CMRR为30Db。而当采用0.01%容差(0.02%匹配准确度)的电阻器时,由电阻器产生的最坏情况为70dB。CMRR公式中的一个限制因素为:

 

    该表达式简化为典型电阻器的电阻匹配比。

谐波失真

   当针对精确型应用选择电阻器时,谐波失真也是很重要的。视尺寸和材料不同,电阻器两端的一个大信号电压或许会使电阻发生显著的变化。在不少片式电阻器中都出现这一问题,而随着电阻器上功率级的增加,这种情况自然变得愈发严重。

 

以上纯属个人看法,若大家有问题,请帮忙及时更正,欢迎发表您的见解。

不求高深,只求共同进步,O(∩_∩)O~。

 

关于差动放大器THS4521的匹配电阻网络的重要性.pdf