This thread has been locked.

If you have a related question, please click the "Ask a related question" button in the top right corner. The newly created question will be automatically linked to this question.

ADS1292R 右腿驱动问题

Other Parts Discussed in Thread: ADS1292R

我在使用ADS1292R检测心电信号时发现,右腿驱动输出为3V,接近电源电压。我在怀疑是不是运算放大器进入的饱和状态。状态寄存器我设置RLD_SENS=0X2C即右腿驱动放大器负极信号有通道2提供。设置 RESP2=0X03即右腿驱动放大器正极信号为内部(AVDD-AVSS)/2。

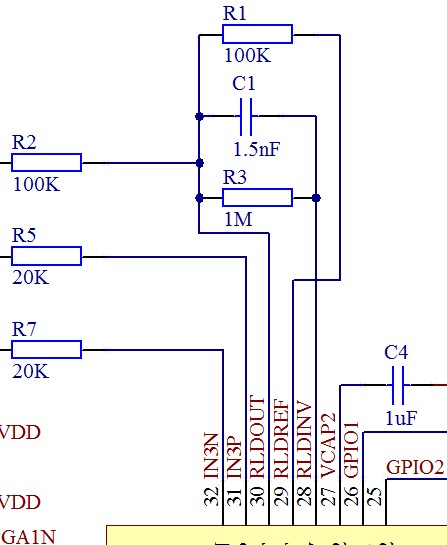
下图是我具体的电路连接。图中右腿驱信号由右腿驱动放大器输出后通过R2与人体连接。不知道是硬件连接错误还是寄存器配置错误,寻找芯片资料也没有相关的解答很是郁闷。