因为设计要做ADS解码专用,所以找来找去用到了ADS1605这个芯片,并口设计,信号可以识别小信号的。
因为买的是专业板子,所以上面都集成好了。
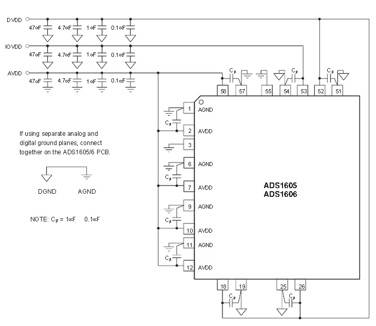
板子流程图。
用到解码流程图
效果还不错,就是数据容易受到干扰的。
This thread has been locked.
If you have a related question, please click the "Ask a related question" button in the top right corner. The newly created question will be automatically linked to this question.
因为设计要做ADS解码专用,所以找来找去用到了ADS1605这个芯片,并口设计,信号可以识别小信号的。
因为买的是专业板子,所以上面都集成好了。
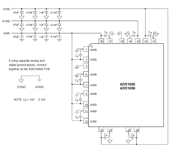
板子流程图。
用到解码流程图
效果还不错,就是数据容易受到干扰的。