This thread has been locked.

If you have a related question, please click the "Ask a related question" button in the top right corner. The newly created question will be automatically linked to this question.

【原创】DCDC转换器LM2596使用经验分享

Other Parts Discussed in Thread: LM2596, LM2576, LM2575

 LM2596系列是TI公司生产的3A电流输出降压开关型集成稳压芯片,它内含固定

频率振荡器(150KHZ)和基准稳压器(1.23v),并具有完善的保护电路、电流限

制、热关断电路等。利用该器件只需极少的外围器件便可构成高效稳压电路。提供

的有:3.3V、5V、12V及可调(ADJ)等多个电压档次产品。就以下几方面内容作

简单介绍:

◆LM2596技术特点

◆LM2596相类似器件

◆LM2596的典型电路

◆LM2596的肖特基二极管及电感的选取

◆LM2596的PCB布线

◆LM2596的散热处理

下面来谈谈个人看法:

一、LM2596技术特点

====================================================================

●3.3V、5V、12V的固定电压输出和可调电压输出

●可调输出电压范围1.2V~37V±4%

●输出线性好且负载可调节

●输出电流可高达3A  

●输入电压可高达40V

●采用150KHz的内部振荡频率,属于第二代开关电压调节器,功耗小、效率高

●低功耗待机模式,IQ的典型值为80μA

●TTL断电能力

●具有过热保护和限流保护功能

●封装形式:TO-220(T)和TO-263(S)

●外围电路简单,仅需4个外接元件,且使用容易购买的标准电感

二、LM2596相类似器件

====================================================================

LM2596相类似器件有:LM1575、LM2575、LM2576等;

对于高电压输入的:可选HV版本的,比如LM2576HVT,LM2576HVS,最高输入电压可达60V;

三、LM2596的典型电路

====================================================================

LM2596的典型电路如下图所示


电路的具体参数,可根据需求,到TI的网站,用TI的工具生成原理图,参数啥的都有了:

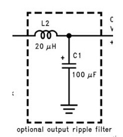
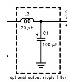
对输出纹波要求较高的话,输出可加LC滤波,如下图所示:

LC滤波器的频率可以选,DCDC频率的10~20分之1

四、LM2596的肖特基二极管及电感的选取

====================================================================

肖特基二极管:我喜欢用贴片的,一般用SS34,对于负载电流不是很大,可以

用SS14、SS24等,更大电流的可以考虑用SS56;

电感:我的习惯是选择33uH/3A的,最好选带屏蔽的电感,对EMC没啥要求的话,

也可以选用插件的功率电感,电感的额定电流,我一般选实际负载电流的1倍

以上,因为电感的额定电流受温度等影响是会变的,另外国产的质量也不定可

靠,降额使用是提高产品可靠性的重要保证,所以我一般至少留1倍余量;

五、LM2596的PCB布线

====================================================================

PCB布线最好参考PDF资料,如下图所示:

下图是我画的,仅供参考:

六、LM2596的散热处理

====================================================================

    下图我画的,仅供参考(在TopLayer,TopSolder, BottomLayer,BottomSolder

铺1层,再多放写过孔,过孔我一般选外径35mil,内径选20mil):

以上纯属个人看法,若大家有问题,请帮忙及时更正,欢迎发表您的见解。