This thread has been locked.

If you have a related question, please click the "Ask a related question" button in the top right corner. The newly created question will be automatically linked to this question.

DAC7811

Other Parts Discussed in Thread: DAC7811

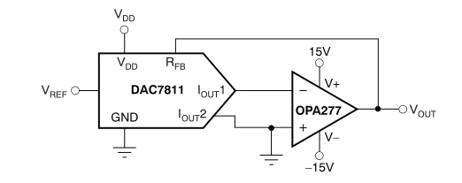
为什么DAC7811输出达不到Vref,并且根据手册上的这个图输出怎么不是线性的,不满足这个等式V OUT=-V REF x

CODE/4096

  • 你好,

    这个电路是反相输出,输出范围为0 ~ -Vref, 根据公式V OUT=-Vref xCODE/4096,由于CODE 最大为4095, 所以最小的输出为 -Vref * 4095 /4096.

    不过理论输出应该是线性的!请描述一下你的测试过程,并上传测试结果以便分析!

  • 您好,我接后面的运放之后电压就被拉下来了!是不是运放的选择有要求啊!怎么可能会造成阻抗不匹配呢,如果不接运放直接测试7811可以侧得到电压的变化,程序应该没问题。可以发我一份7811的例程吗,我对比一下!

  • 您好,我接后面的运放之后电压就被拉下来了!是不是运放的选择有要求啊!怎么可能会造成阻抗不匹配呢,如果不接运放直接测试7811可以侧得到电压的变化,程序应该没问题。可以发我一份7811的例程吗,我对比一下!