This thread has been locked.

If you have a related question, please click the "Ask a related question" button in the top right corner. The newly created question will be automatically linked to this question.

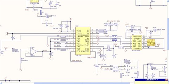
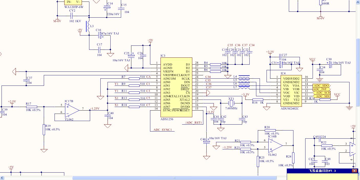
ADS1256难道这么敏感,打静电出现问题

Other Parts Discussed in Thread: ADS8556

打静电数字端口出现死机或采样率变快并且ad失效,复位ad后,数据正常,AD和mcu用ADUM2402隔离